EasyManua.ls Logo

Ice Qube Evolution Series - Hazardous Locations Wiring

Default Icon
40 pages
Print Icon
To Next Page IconTo Next Page
To Next Page IconTo Next Page
To Previous Page IconTo Previous Page
To Previous Page IconTo Previous Page
Loading...
19
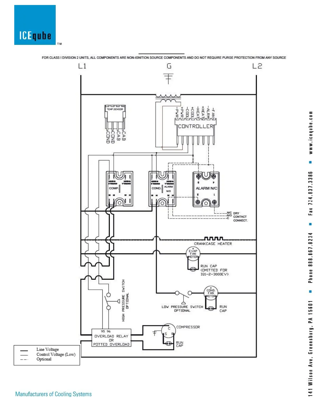
Hazardous Locations
120V/220V/230V
Figure 10
IQ350921 Rev A

Related product manuals