EasyManua.ls Logo

Ice iP17 - Parts List

Default Icon
16 pages
Print Icon
To Next Page IconTo Next Page
To Next Page IconTo Next Page
To Previous Page IconTo Previous Page
To Previous Page IconTo Previous Page
Loading...
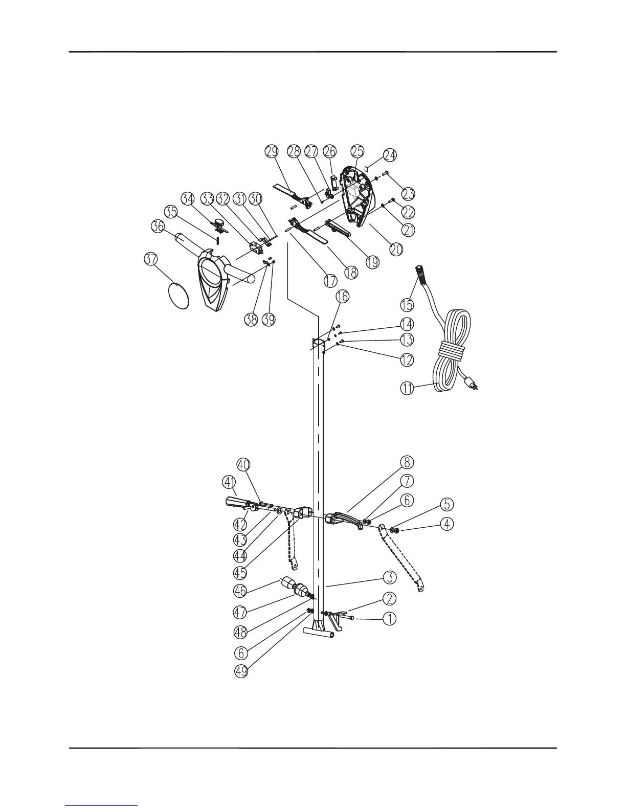
iP17 & iP20 HANDLE ASSEMBLY
ICE iP17 iP20

PARTS LIST

Related product manuals