EasyManua.ls Logo

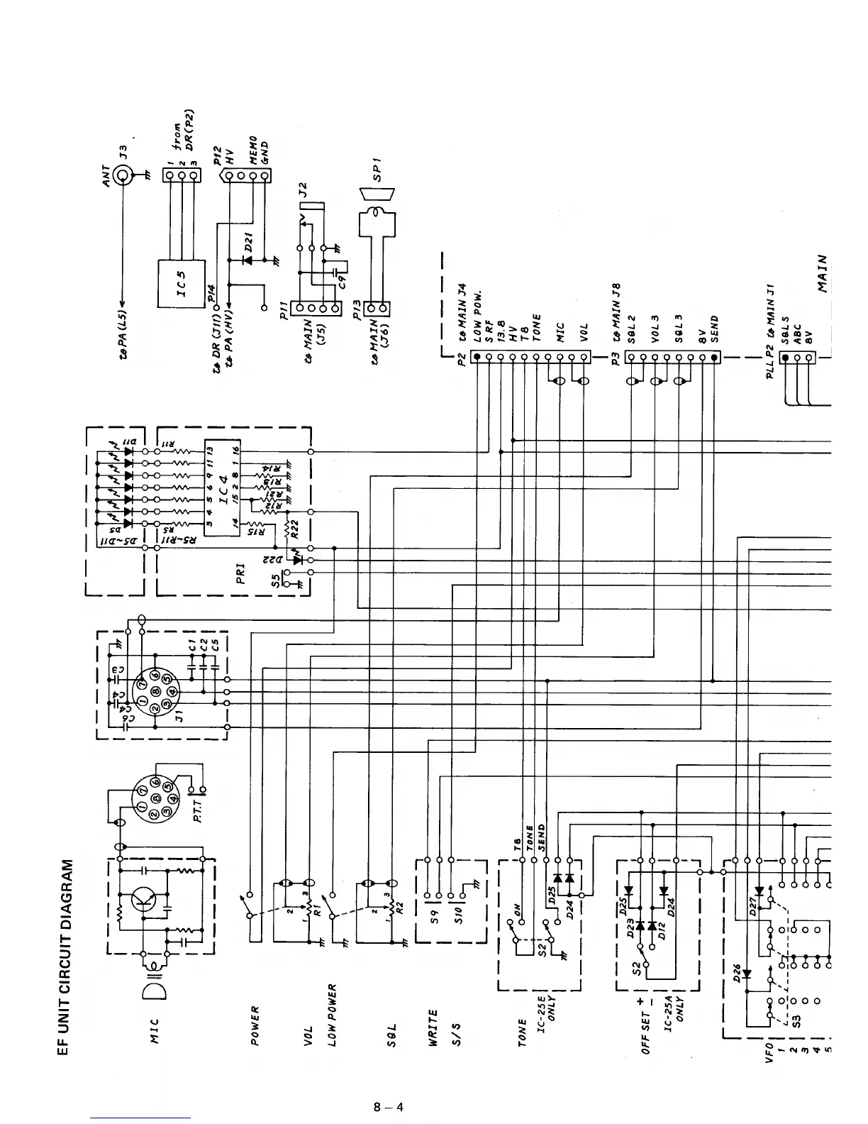
Icom IC-25E - EF Unit Circuit Diagram

Icom IC-25E
76 pages
To Next Page IconTo Next Page
To Next Page IconTo Next Page
To Previous Page IconTo Previous Page
To Previous Page IconTo Previous Page
Loading...

Table of Contents

Other manuals for Icom IC-25E

Related product manuals