EasyManua.ls Logo

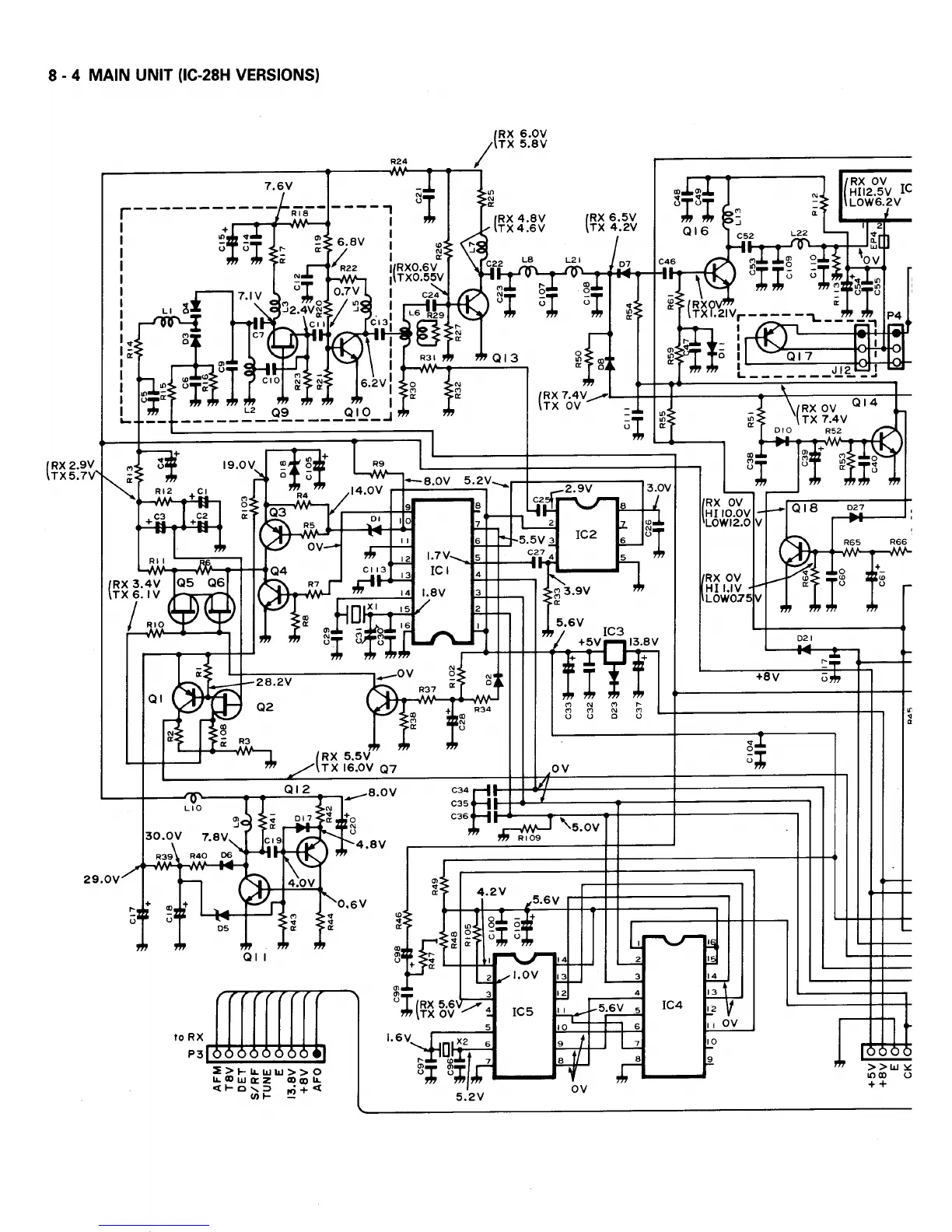
Icom IC-28H - Main Unit Circuit Diagram (IC-28 H)

Icom IC-28H
70 pages
Print Icon
To Next Page IconTo Next Page
To Next Page IconTo Next Page
To Previous Page IconTo Previous Page
To Previous Page IconTo Previous Page
Loading...

Other manuals for Icom IC-28H

Related product manuals