EasyManua.ls Logo

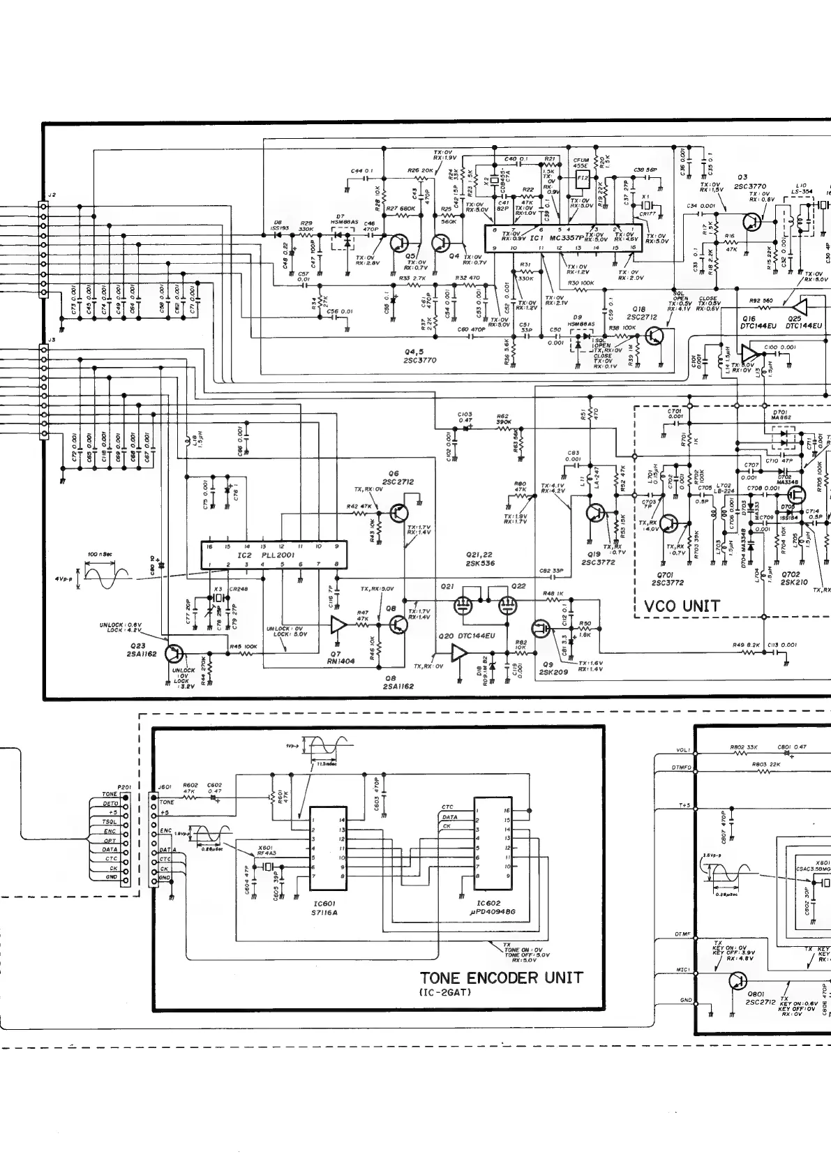
Icom IC-2GAT - VCO Unit Schematic; Tone Encoder Unit Schematic

Icom IC-2GAT
62 pages
Print Icon
To Next Page IconTo Next Page
To Next Page IconTo Next Page
To Previous Page IconTo Previous Page
To Previous Page IconTo Previous Page
Loading...
R20
L5k
044
01
г
RI9
20K
C37
27Р
R28
10K
X
наз
!
5K
ШИН
J
11121514:
ов
R29
HŠM88AS
c46
15519:
ззок
Г--7
470Р
5
4
3 2
a
ar
1
мсз357Р
С0Ұ,
RES
š
+
8
LM
2
15 15
E
š]
RX:
28
RX:
0.7v
°
o
R32
470
RX:2.0V
5
81.18
Q3
TX:0Y
10
RX:
1,5V
2903770:
18.354
=
é
RX:0.8V
[77-1
I
!
р
р
IX:0V
-4-4
RX:5.0V
SÍISIz
t
WN
o
8]
81
8
-
1%
5
8
91619
eek
5
«51
8
8
S
x
eR
S
BT ST
E
Boh
g
SÈT
2
š
Sj
ots
C56
0.01
8
$
8
8
axs
У
9%
rov
„N`
RX:5.0V
Еч
С60
470P
+
-
6
04,5
S
25С3770
8
016
025
DTCI44EU
ОТСІ44ЕЦ
C72
0.001
100
n
Sec
4Ур-р
|
UNLOCK:
0.6V
LOCK
:
4.2V.
C68
0.001
R62
390K
C102
0.00!
а-а
R52 47к
C75
0.001
°
af
x
8
о
Q6
25027:2
d
TX,RX:
OV
R42
ЁС
(i?
с
TX:1.9V
qO)
RX:1.7V
TX:1.7V
RX:1.4V
R53
15K
Q21,22
25к536
25С3772
C82 33P
0.001
DH
VCO
UNIT
4
сто
47Р
0707
070.
R705
І0ОК
C708
0.001
8703
39K
R704
10K
28C3772
R49
8.2K
|
спа
0.00!
a
À
R48
iK
S
2
o
s
o
R50
UNLOCK:
OV
(“ју
LOCK:
5.0v
л
мн
Q23
=
2
254162
$
Q7
H
N
8
È
EN
1494
TX,RX:
ov
=
25
|
Œ
RX:
1.4
V
UN
LOCI
Š
85
59
25к209
`
Lock
З
Q8
91
Ч
13.2У
254162
5
R602
47K
свог
0.47
C605
39P
IC60!
5716А
иР0409486
MUR
TONE
ON
:
ov
TONE
OFF:
5.0V
RX:5.0V
TONE
ENCODER
UNIT
(IC-2GAT)
RBO2
33K
080:
047
voL!
AM
+4
+
DTMFO
RBO3
22K
сво?
470P
|
3.6vo-p
0.28p30c
$
080)
2
БЕ
25С27!2
Кеуом:ову
©
KEY
OFF:OV
5
RX:0V
$n

Other manuals for Icom IC-2GAT

Related product manuals