EasyManua.ls Logo

Icom IC-730 - Page 112

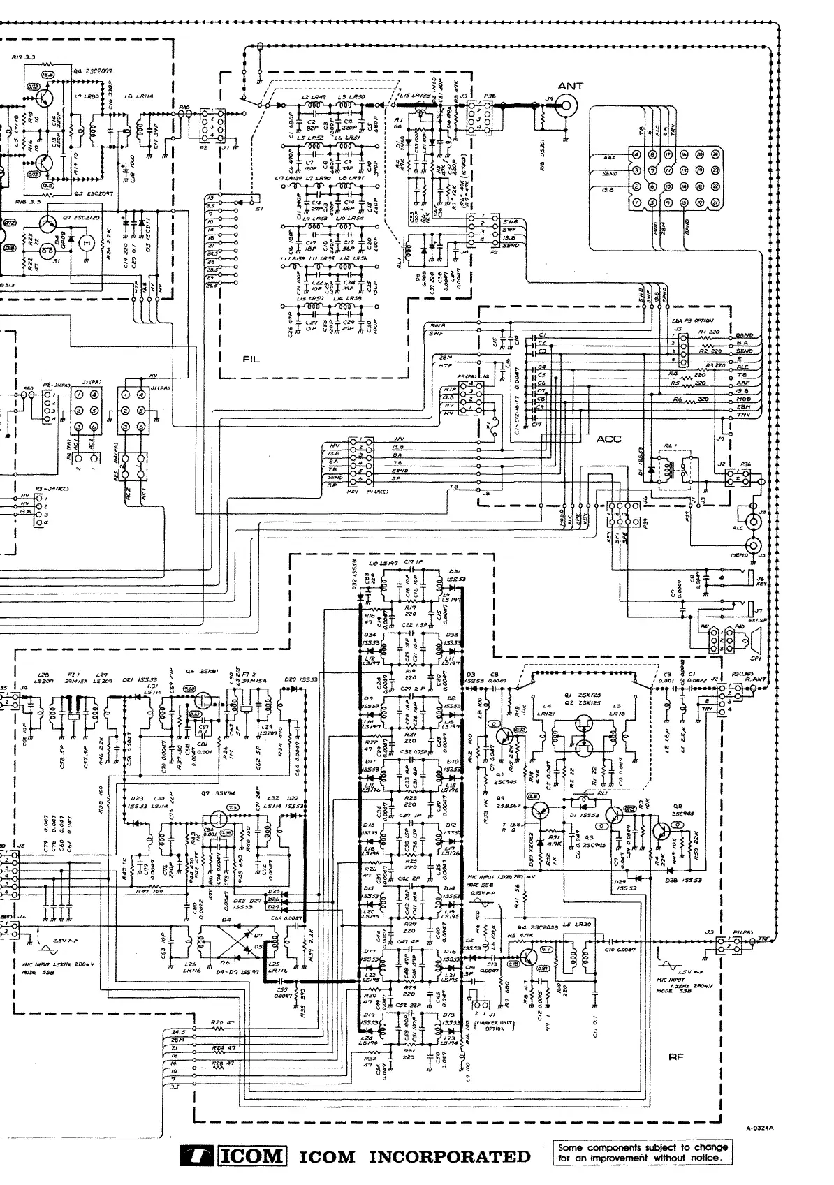
Icom IC-730
136 pages
To Next Page IconTo Next Page
To Next Page IconTo Next Page
To Previous Page IconTo Previous Page
To Previous Page IconTo Previous Page
Loading...
"
I
I
I
P.3-J4(N;C)
HV~(
HV
Z
.(3.8 3
lQ.~
I
.
...1
''''8
z
~
HV
,
~
fHV
=
T,
~
,
V
_________________________
J
DIICOMI
ICOM
INCORPORATED
ANT
J,
_
I~-A~A~"
-l.@-<'4e
" ® @ ®
I~~
SE'N~D~""~(3)
I
Gi
'@@@
1~~'3~
.•
~-U2
iO ®
®@
0($
0$@@
---I
Cbtl
1'3
CPTICN
;'~
RI
Uo
I
8JiWD
<4
CS
C6
<7
<8
::c.
Z
J
RZ
220
"
R3Z20
1<4
Z20
10$
no
1<6
Z20
Some components subject to change I
for
an
Improvement without notice.
SA
5""0
I<
Al..C
TS
AAF
f3·e
HOt>
Z$N
TRV
A·0324A

Other manuals for Icom IC-730

Related product manuals