EasyManua.ls Logo

Icom IC-730 - Page 114

Icom IC-730
136 pages
To Next Page IconTo Next Page
To Next Page IconTo Next Page
To Previous Page IconTo Previous Page
To Previous Page IconTo Previous Page
Loading...
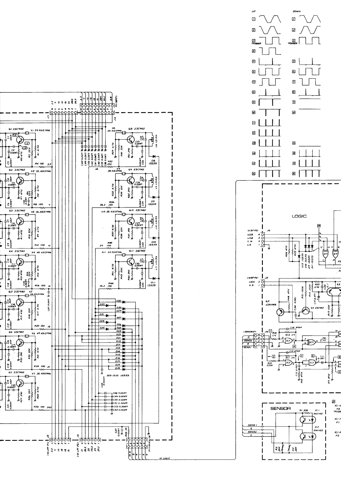
Q2
2SC945
x Z
.33
43151'1"-
---.-----.----lOr-=-
~~7~
,
f.
~!
Q3
ZSC945
O~
.3b.43J.s~
t$
7c)=-
ce
0.0047
"
f
"
.
~
:::
~
~
"
~
.
~~
U~
RIZ
100
'0
nnnn
x/o
$S.
43/~O
Q/O
2SC'HS
~;
.~
~~
~
CZ'l~~
~
0.0047
~
.;
"
~
t
~
:::
~
~
4t-
"
--
h
D'O
Z9
'00
d
U
ISSS3
D3Z
DZ9
03'
DZ.
DZ,
DZ4
D25
DZ'
DZZ
Dn
to
LOG-Ie
UP
0
\J\
0
~
o
:LJ1
TRl56ER
I!l
1JL
~
I
I
~
LJLJ
['i]
SlS
ffil
I I
['i]
I
I
ffil
I
I
I!!l
I I I
@
I
I I
[i1J
I I
I
I!!I
I I
I
i£I
I I
I
~
I I I
,-58
3
cw
~¥lr
...
I
I
I
DOWN
0
\J\
~
J\f
~1lS1
~
\ I
~
LJLJ
['i]
1JL
lID
I
I
['i]
ffil
[i1J
~
I
I I I
i£I
I I I I
~
I
I I I
~
~
~
~
IJlC
.
~(
ICI-/~
FI
Ie/-If.
FZ

Other manuals for Icom IC-730

Related product manuals