EasyManua.ls Logo

Icom IC-730 - Page 116

Icom IC-730
136 pages
To Next Page IconTo Next Page
To Next Page IconTo Next Page
To Previous Page IconTo Previous Page
To Previous Page IconTo Previous Page
Loading...
r--------------------------------------·
I
"''''>
3
:I.DA
~
IIIlI
It
..
II..
..
lI..
I
~;~t~
I
~5~a~
I
I
I
I
,
I
I
RZ8101(
2
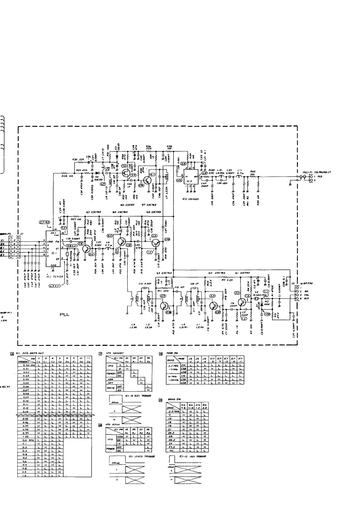
PLL
<S"I
L3
LS3A
L
______________
_
iii
1C.1
a/PI
DATA
OUT
~"
2 3 .
3 .
-Of
Co
C,
C.
""
o.
0.00
KH
..
L
L L L
L
0.01
L L L
L
H
0.02
L L L L L
0.03
L L
L
L
H
0.04
L
L L
L L
0.05
L
L L L
H
0.06
L
L L
L L
0.0'7
L L L L
H
0.0.
L
L L L L
0.0'1
L L
L L
H
0.10
H
L L
L L
0.11
H
L L
L
H
O./Z
H
L L
L
L
0.13
H
L L L
H
0.95
H L L H L
0.'9"
H L L
H
H
0.'"
H
L L
H
L
0
.,8
H L
L H
H
Q •
.,q
H
L L
H
L
1,00
L L
L
L
L
0.0
IU<,
L
L
L
L
o. ,
H
L L
L
0.2
L
H
L L
0.3
H H L L
0
.•
L L H
L
0..
H
L
H
L
0.0
L
H H
L
0.7
H
H
H
L
0.6
L L L
H
o.q
H L L H
'·0
L L L L
.
'0
"
0,
o.
0
L L
L L
H
L L
H
L L
L
H
L
L
H
L
H H
L
H H
L
L
H
L L
H
L L L
L
L
L
H
L
L
H
L L
H L
H
H L
H
H L
L L
H
L L
H
L
L
L
~
VFO.
N/!/'10RY
VI'O
NOR
SPT
WRITE
1><
~
»
..
'"
36
A.
A,
M A
1014.
H
L
L
H
VI'O
K>O-
L
H
L
H
" -
L L
L
H
POWER
~
~
ON
H
~
ICI-
IS(1!3>
TRI66EIt
~L-
I~><----;;>""
1><
lCZ
HDICJ»I
<Z
L~/'"
Q2
ZSC'&3
QI
ZSC94S
I
I
I
I
I
ClUJ
PI
ltllPRI.H/1(,J'f
?~~
PLO
8A
3 CJIL
H~,.,....t-~---1--11O
4
"'T
I
I
L-....:....-..J11
i I
"
5 I
------------------~
8ANO""PE
J4
J4
J.
-z
-3
-.
3.Sfflh
cw
L L
-7_
Lsa H
L
H
usa H H
L
loMH.
CW
L
L L
~Z811H¥
Lsa H
L
H
usa H H
L
BAND
sw
~
lC.
leO
lCO
IC6
...
lI.m
'.2
S.4
~
.
.sMHz
L H L L
7
H
H
L L
10
L L
H
L
I.
H
L
H
L
'8
L H
H
L
ZI
H
H
H
L
Z4
.
.s
L
H
28
H
L
L H
z
....
L H L H
..
H
L
H
H
Z9.S
L
L
H
H
NC
L
L
L L
n
!CI·IZ
(EO)
TR166ER
"71><
HI><
1e7
le7
Ie7
lC7
1<7
..
-,
.,.
-.,
·n
L
L
L L L
H L
L
H
L
L L
H
L
H
L
L
L L
L
H H
L
L
H
L
H
H H
L

Other manuals for Icom IC-730

Related product manuals