EasyManua.ls Logo

Icom IC-730

Icom IC-730
136 pages
To Next Page IconTo Next Page
To Next Page IconTo Next Page
To Previous Page IconTo Previous Page
To Previous Page IconTo Previous Page
Loading...
.....
I
...
o
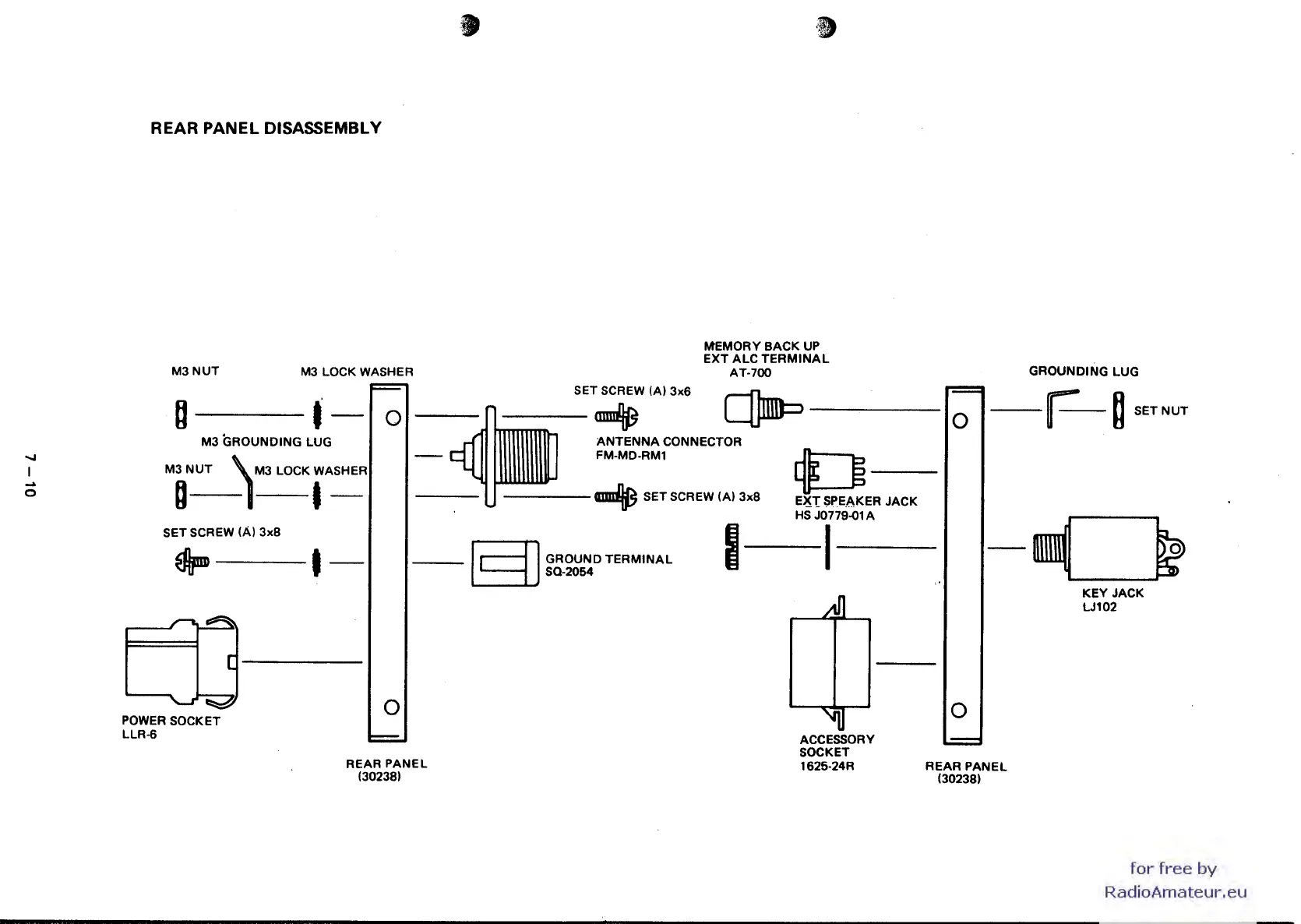
REAR PANEL DISASSEMBLY
M3NUT
M3
LOCK WASHER
0--'-
o
M3 GROUNDING LUG
M3NUT
\
M3
LOCK WASHER
-1-1-
SET
SCREW
(A) 3xS
SET
SCREW
(A) 3x6
--~
MEMORY BACK
UP
EXT
ALC
TERMINAL
AT-700
C]Imt=>--
ANTENNA
CONNECTOR
FM-MD-RM1
-----
~
SET
SCREW
(A) 3xS
0-
E>5.t
SPEAKER JACK
HS
J0779-01A
o
GROUNDING LUG
---r-
0
SETNUT
EfIpm--I-
___
r,:::=:n
GROUND
TERMINAL
~Sa-2054
1-1-
POWER
SOCKET
LLR-6
o
REAR PANEL
(3023S1
ACCESSORY
SOCKET
1625-24R
o
REAR PANEL
(30238)
KEY JACK
LJ102
for
free
by
RadioAmateur.eu

Other manuals for Icom IC-730

Related product manuals