EasyManua.ls Logo

Icom IC-730 - Page 50

Icom IC-730
136 pages
To Next Page IconTo Next Page
To Next Page IconTo Next Page
To Previous Page IconTo Previous Page
To Previous Page IconTo Previous Page
Loading...
.....
I
...
~
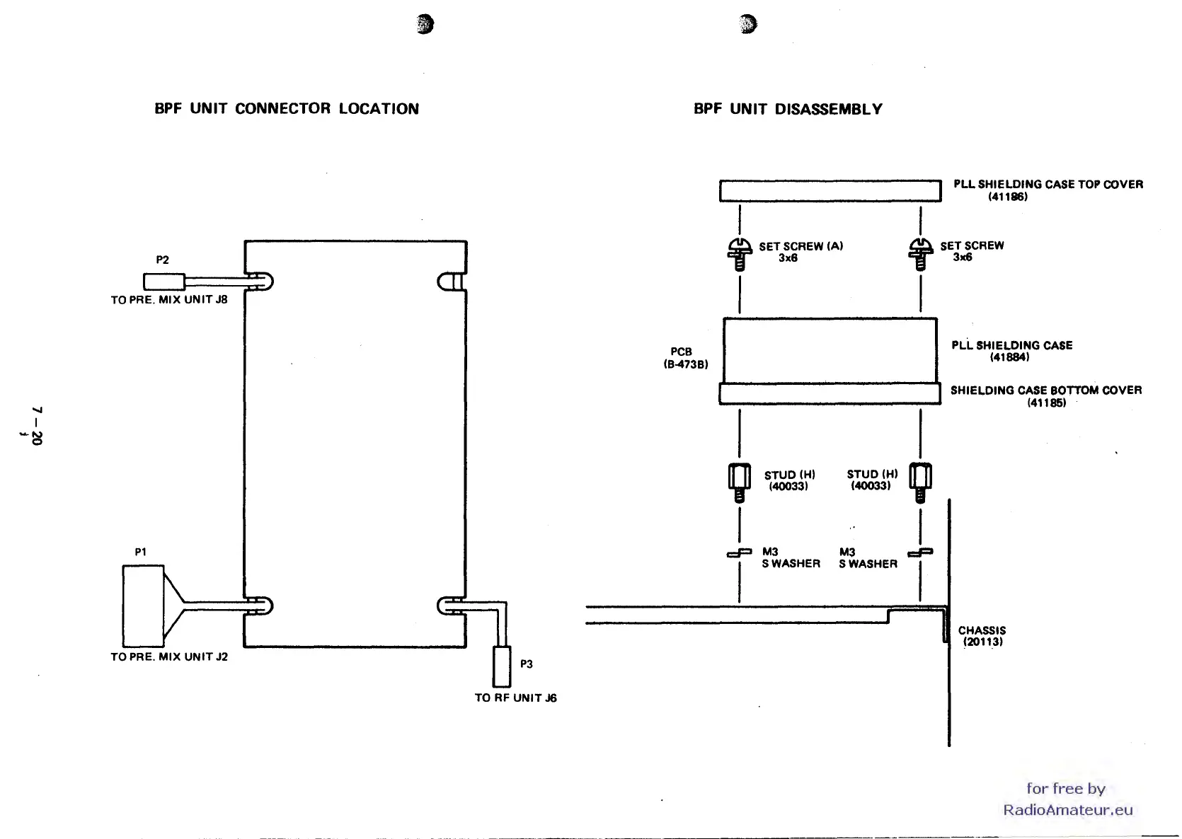
BPF
UNIT
CONNECTOR LOCATION
P2
TO PRE.
MIX
UNIT
J8
P1
TO PRE.
MIX
UNIT
J2
P3
TO RF
UNIT
J6
BPF
UNIT
DISASSEMBLY
PCB
(8-47381
I
~
SET SCREW
(A)
" 3)(8
I
rQl
STUD (HI
STUD (HI
(40033)
(40033)
I
r:::FJ
M3
M3
I
SWASHER
SWASHER
PLL
SHIELDING CASE TOP COVER
(41186)
~
SETSCREW
-S
3x6
I
I
rfJl
I
s::P
I
PLl.
SHIELDING CASE
(41884)
SHIELDING CASE BOTTOM COVER
(41185)
CHASSIS
(20113)
-----
----------_.---_
..
_._---_._-----------
for
free
by
RadioAmateur.eu

Other manuals for Icom IC-730

Related product manuals