EasyManua.ls Logo

Icom IC-730 - Page 53

Icom IC-730
136 pages
To Next Page IconTo Next Page
To Next Page IconTo Next Page
To Previous Page IconTo Previous Page
To Previous Page IconTo Previous Page
Loading...
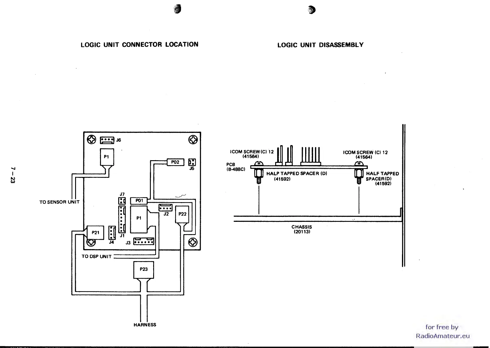
TO
SENSOR
UNIT
LOGIC UNIT CONNECTOR LOCATION
~
1:"·'
J6
r---
P1
~
P02 I
[:J
J5
TO
OSP
UNIT
===;==~
P23
HARNESS
PCB
lB-488C)
LOGIC UNIT DISASSEMBLY
CHASSIS
(20113)
ICOM
SCREW lC)
12
141564)
HALF
TAPPED
SPACERlD)
141592)
for
free
by
RadioAmateur.eu

Other manuals for Icom IC-730

Related product manuals