EasyManua.ls Logo

Icom IC-730 - Page 85

Icom IC-730
136 pages
To Next Page IconTo Next Page
To Next Page IconTo Next Page
To Previous Page IconTo Previous Page
To Previous Page IconTo Previous Page
Loading...
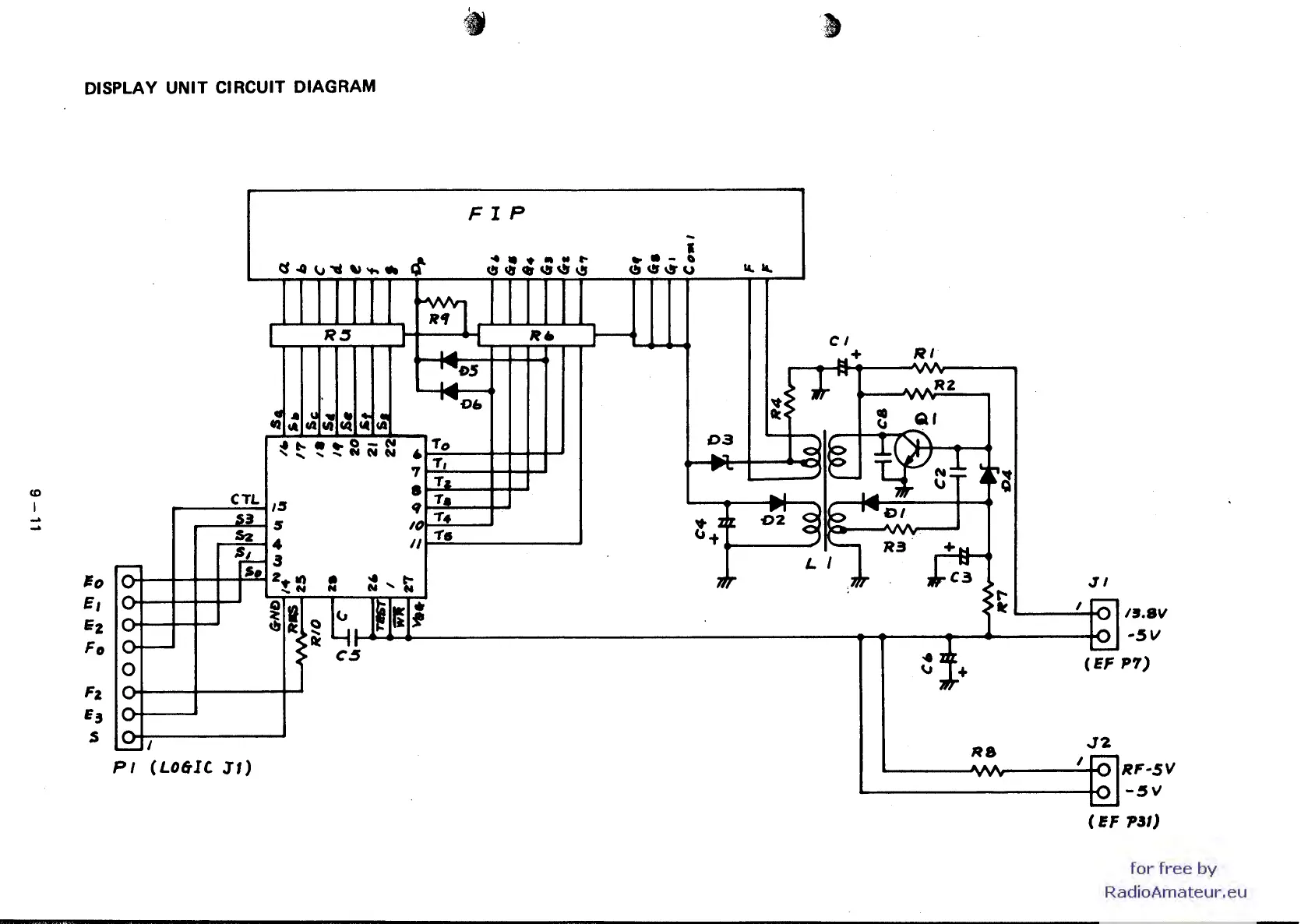
DISPLAY UNIT CIRCUIT DIAGRAM
I
R:J
I
I
co
I
...
...
.D
E,
EZ
Fo
Fz.
E,
S
~I
PI
(LO&IC 3'1)
FIP
Jt.AA
YYYI
If"
R.
I
L
..
....
f).5
I
......
....
.0.
t--
CI
~+
fl..'
...
J2.
R8
1"'::::-
L-------J~V'~V'~~----~-W_~)
RF·SV
~--------------------~()~
-~V
L....-
(EF
1'31)
for
free
by
RadioAmateur.eu

Other manuals for Icom IC-730

Related product manuals