EasyManua.ls Logo

Icom IC-7300 - Page 5

Icom IC-7300
17 pages
To Next Page IconTo Next Page
To Next Page IconTo Next Page
To Previous Page IconTo Previous Page
To Previous Page IconTo Previous Page
Loading...
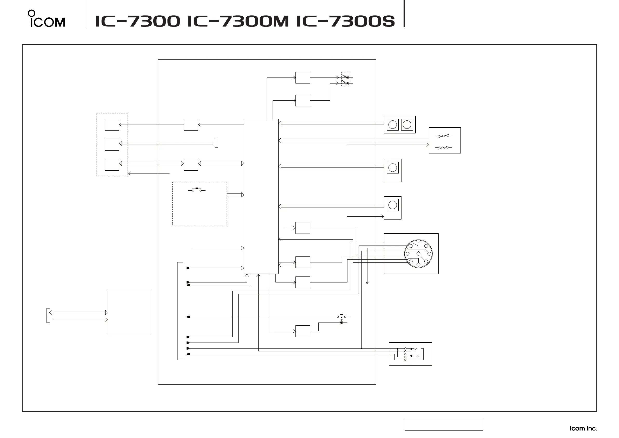
SCHEMATIC DIAGRAMS
To upgrade quality, some components may be
subject to change without notice.
A-7290-3EX-
w
Printed in Japan
© 2015–2016 Icom Inc.
t
LRXD
S22
LCD
2SB1132L
LIMITER
Q462
Q461 L2SA1576AR
LCD
LIGHT
LTXD
AFO
SEND
SW
DSC7004SQ492
Q493 LDTA114
Q491 L2SC4081
TW-CTRL
IC152
UC6528
PWRK
TPS61161ADRV
IC101
LCD
LIGHT
CTRL
LCD-TW
FRES
SQL
LDTC143ZE
Q481
CTRL
Q1
LDTC143ZE
HT-191UYG
DS1
R
G
SEC2462C
DS1107
AFE
CTRL
Q3
LDTC143ZE
CTRL
Q2
LDTC143ZE
J1
1
2
3
4
5
6
7
8
MICI
MICE
J1
EX-2500
[TUNER]
PUSH-SWs
FSENI
[P.AMP/ATT]
DISPLAY UNIT
FSQS
[QUICK]
FLRXD
CPU
PBAAK/PBABK/PBBAK/PBBBK/PCLEK
[POWER KEY]
FLTXD
FRONT
MAINDAK/MAINDBK
PWRK
[SCOPE]
[TS]
FTRAS
[AUTO_TUNE]
FUDL
[RIT]
3R3V
[NOTCH]
[NB]
PWRK
[MENU]
[NR]
8V
[SET]
BKLV
TDS
RDS
R5F104LCAFB
IC501
FRONT UNIT
SD UNIT
PBT UNIT
[RF/SQL]
[AF GAIN]
SDWP/SDCD/SDDAT1/SDDAT0
VDD
SDCLK/SDCMD/SDDAT3/SDDAT2
[TRANSMIT]
[CLEAR] [dTX]
[CLEAR]
[SPEECH/LOCK]
[SPLIT]
[A/B]
[V/M]
[M-CH DN][MP]
MAIN DIAL
RFL/AFL
TWDCLC/TWCS/TWDTX
TWBUSY/TWDRX/TWPIRQ
R3-R7/G2-G7/B3-B7
DE/VSYNC/HSYNC/CLK/DISP
PHK
[XFC]
GND
MIC U/D
MIC
+8V
SQL
PTT
MICE
5V
PWRDS
DS1(LCD)
VLED-/VLED+
To the MAIN UNIT
3R3V
VR UNIT
RIT UNIT
MFDAK/MFDBK/MFK
PHONE UNIT
MIC UNIT
AF OUT
[M-CH UP]
XR/YD/XL/YU
3R3V
MICI
MICE
FROM MAIN
To the MAIN UNIT
BLOCK DIAGRAM (BLOCK DIAGRAM-3)

Other manuals for Icom IC-7300

Related product manuals