EasyManua.ls Logo

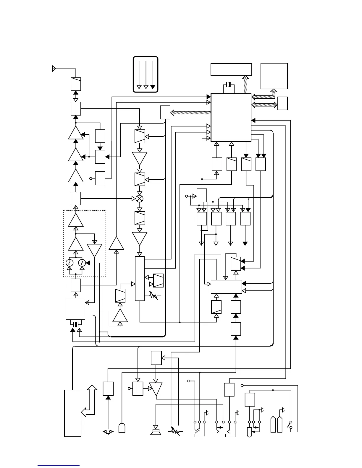
Icom IC-F3S - IC-F4;S Block Diagram

Icom IC-F3S
52 pages
Print Icon
To Next Page IconTo Next Page
To Next Page IconTo Next Page
To Previous Page IconTo Previous Page
To Previous Page IconTo Previous Page
Loading...
OPTIONAL UNIT
MIC, AF, PTT,
MM, RM, AFONOP,
SIGOUT
PTT
PTT
CONT
MIC
COMMON LINE
Rx LINE
Tx LINE
MIC
AMP
IC3c
IC3b
HPF
IC4
ANALOG
SWITCH
IC3d
LPF
CTCSS
TONE
MMRM
5 V
R5
S5
VCC
T5
Q18
Q21
Q20
Q22
AF
REG
DE
ENPHA
Q15, Q16,
D26
VCC
AF
AMP
IC5
SP
VR
MIC JACK
AF OUT
SP
CLONE
DET
EXT. MIC
SP JACK
CHARGE
LIM I.
Q27
VCC
BATT
GND
POWER SWITCH
BUFFER
Q31, D27
5 V
PRE
ENPHA
REG.
+5
CPU
+5
REG.
R5
REG.
S5
REG.
T5
CPU 5 V
TUNETUNE
Q33
Q35
Q36
RESET
LPF
CTCSS
DTCS
DTMF
MTONE
LPF
BUFFER
IC6
IC11, Q23
IC8
CPU
5.8 MHz
X2
LCD
KEY
MATRIX
EEPROM
IC7
D/A
IC10
SD
NOIS
D10
BPF
RF
AMP
IF
AMP
D11, D12, D401FI1Q400
BPFBPF
BPF
Q13 Q12
FI2
SQL
(INSIDE)
IF DET IC
IC2
DET
BPF
Q11
MOD
FRQCON
15.3 MHz
45.9 MHz
BUFFER
BUFFER BUFFER BUFFER
BUFFER
Q34
IC1
CI PLL
REF
X1
LOOP
FILTER
Q7
VCO
Q6
Q4
Q5
T/R
SWITCH
D3, D4 Q3, Q403 Q2 Q1 D1, D8, D406
PRE
AMP
PWR
AMP
ANT
SWITCH
LPF
ANT.
IC3aQ9
APCI. SENS
D2
PWR
DET
VCC
J5
Q17
BUFFER
Q8
10 - 2
10-2 IC-F4/S

Related product manuals