EasyManua.ls Logo

Icom IC-F5022 - Block Diagram

Icom IC-F5022
38 pages
To Next Page IconTo Next Page
To Next Page IconTo Next Page
To Previous Page IconTo Previous Page
To Previous Page IconTo Previous Page
Loading...
11 - 1
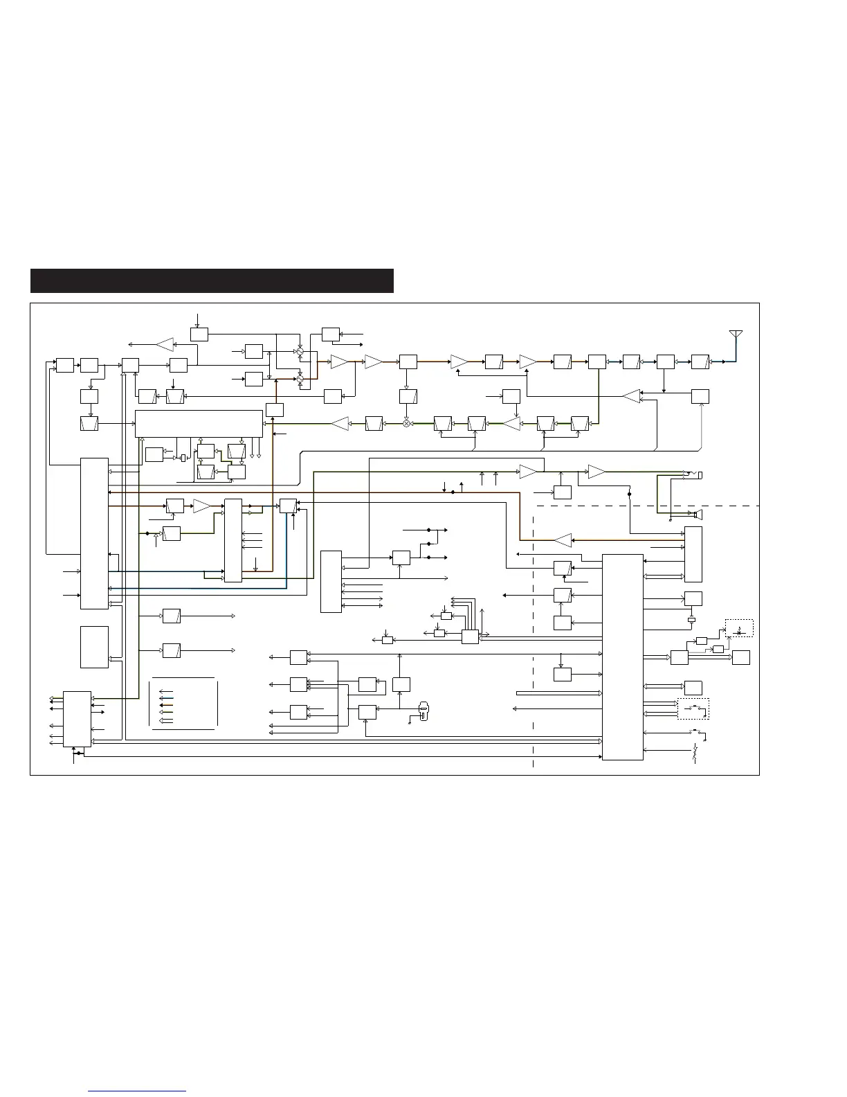
SECTION 11
.
BLOCK DIAGRAM
LPFLPF LPFLPF
LPF
LPF
IC16
NJM12902
LPF
IC16
NJM12902
LPF
Q39
XP4601
LPF
IC5
NJM12902
LPF
IC5
NJM12902
PWR
DET
D1,D11
1SS375
REF
X2
CR-794
MUT E
SW
D 28:MA2S728
SW
POWER
Q23:2SJ377
Q24:DTC144EU
RESET
IC2
S-80942
ANT
SW
D2:UM9401F(25W)
D5:L709CE
D6:1SV307
PWR
AM P
IC3
RA30H1317M (25W)
RA60H4047M1 (50W)
TX/RX
SW
MA2S077
D14,D15
Q14:2SC4226
D33:HVC376B
D34:HVC376B
Q13:2SC4226
D31:HVC376B
D16:HVC376B
FIL
RIPPLE
Q17
2SC4116
VCO
SW
Q15:XP1214
Q16:UNR9213J
FIL
LOOPPLL
IC
IC4
MB15A02
X3
Q34
2SC4116
X1
JTBM450CX24
AM P
IC16
NJM12902
AM P
IC5
NJM12902
FM
MOD
D18
HVL355CM
Q3
3SK324
BPF
D10
HVC350B
BPF
D9
HVC350B
BPF
D4
HVC375B
BPF
D8
HVC375B
BPF
RF
AMP
Q2
3SK293
APC
AMP
IC
2
TA75S01F
BPF
XTAL
FI1
FL-335
IF
AMP
Q4
2SC4215
BPF
CERAMIC
FI6
LTM450GW
HPF
HPF
IC16
NJM12902
+5
REG
Q27:2SA1577
Q28:XP6501
+8
REG
IC9
TA7808F
T8
REG
Q25:2SD1664
Q29:DTC114TU
D23:DA221
PRE
AM P
IC15
TA75S01F
AF
AM P
IC8
LA4425A
AF
MUTE
Q35:DTC363EK
Q36:DTC144EU
D 29:MA2S111
POSW
KEYX6
SP
DS1-9
SML-311YT
J4
BUFF
Q10
2SC5006
BUFF
Q11
2SC5006
BUFF
Q18
2SK880
W2
REG
CPU5
IC10
AN78L05M
SW
FIL
Q3
DTC144EU
W/N
SW
Q5
D TC144EU
DRIVE
AM P
Q8
2SC3356
LPF
Q26:2SA1577
Q30:DTC144EU
R8
REG
LCD
DS11
L2-0607TAY
LINE
SW
Q31
2SJ144
EXP
IC17
CD4094
EEPROM
IC3
R1EX24064ATA00A
AGC
Q1:2SK1829
SHIFT
SW
D6
MA2S077
X1
CR-774
LCD
DRIVER
IC
6
LC75834
BPF
CERAMIC
FI2
LTM450EW
W/N
SW
D56:DAN235E
Q40:DTA114EU
IC19
TA75S01F
AMP
X2
Q12
2SC5107
BPF
MA2S077
D54,55
TLV
AD J
D53:HVC375B
RLV
AD J
D52:HVC375B
W/N
SW
D57:DAN235E
ANALOG
SW
TXC
MMUT
RMUT
POSW
SDEC
CDEC
5V
T8V
R8V
8V
VCC
TMUT
RXC
PWON
HV
CPU5CPU5
VCC
8V
8V
RESET
CENC0-2
SENC
CLI CLO
PTT
MIC
AFO
8V
M CINMCOT
AFOUT
D/A
IF IC
OPTION
LVIN
8V
RXC
RX VCO
TX VCO
RSSI
TONE
TENC
DUSE
Explanatory notes
CONTROL LINE
COMMON LINE
TX LINE
RX LINE
DATA LINE
T2 T1
T1 TMUT
NOIS
CPU
IC1:TA31136FN
IC14
CD4066
IC18
AK2330
MIC
JACK
IC1
S2-S7
PWR
AF VR
NWC
TENC
136-174 MHz
REFBAL
15.3MHz
45.9MHz
DISC
SQIN
450kHz
46.35MHz
182.35 MHz-220.35 MHz
BEEP
J1
5/2 TONE DEC
CTCSS/DTCS DEC
J1
FRONT UNIT
MAIN-A UNIT
8V
KS0-1,4
KR0-3
PTTI
LINH
LCS
DIM
F
J6
D
HORN
EPTTPTT
E
HORNO
SIGO
IN
DISC
DIM
SIG
DISC
F
ACC
RXC
NW C
TMUT
HORNOMMUT E
MMUT
RMUTE
RMUT
MMUT
CTRL
RMUT
CTRL
D43
DAP222
D42
DAP222
CTRL
AFONO
MA2S111
D44,D45
AFON AFON
AF ON
AFONO
MMUTE
PTTI
PTTO
AFVI
BEEP
NOIS
DIM
CDEC
SDEC
EPTT
LVIN
RSSI
AFO
RSSI
D3:L407CD
R14
EVU-F2KFK1B14
MIC
AFO
CSFT
12.288MHz
LSCK
LSO
SEG1-32
COM1-4
DIM
CTRL
LIGT1
Q2
DTC114TU
LIGT
Q5
DTC114TU
CTRL
LIGT2
DISC
BEEPO
BEEPO
F
BEEPO
D48:1SV307
TXC
SIG
REM
SIGO
MCIN
MCOT
BEEP
BUSY
BUSY
BAL
REF
MODI
DISC
DISC
DISC
AFOUT
PTTO
MCOT
MCGO
NWC
D/A
M62334FP
IC20
NWC
TONE
CDTS
CDTS
VRAF TMONI
MODSPAF
SPIN
RXAF
PGIO2 to 4
(PGIO1)
(PGO1 )
(PGI1)
T8V
RLVA
TLVA
LVLV

Other manuals for Icom IC-F5022

Related product manuals