EasyManua.ls Logo

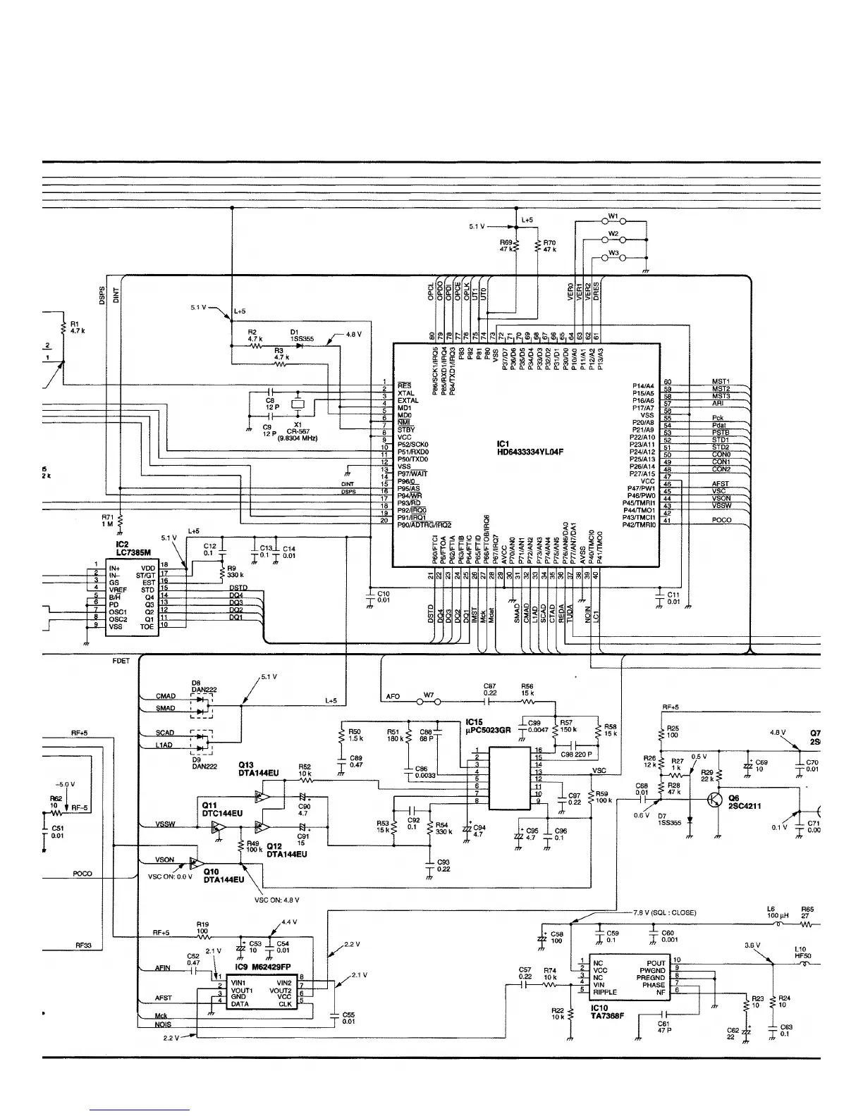
Icom IC-PCR1000 - Logic Unit Voltage and Signal Flow; Logic Unit Voltage Diagram Continuation

Icom IC-PCR1000
53 pages
Print Icon
To Next Page IconTo Next Page
To Next Page IconTo Next Page
To Previous Page IconTo Previous Page
To Previous Page IconTo Previous Page
Loading...