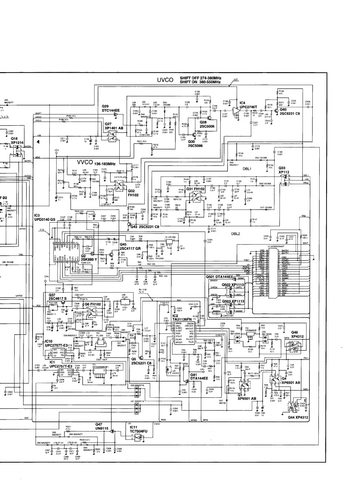
EasyManua.ls Logo

Icom IC-Q7E - Page 37

Icom IC-Q7E
39 pages
Print Icon
To Next Page IconTo Next Page
To Next Page IconTo Next Page
To Previous Page IconTo Previous Page
To Previous Page IconTo Previous Page
Loading...
SHIFT
OFF
274-380MHz
UVCO
SHIFT
ON
380-550MHz
ат
C166
0.001
223
R124
МА25077
168
L62
183
054
0165
1
120
953
ІС4
C236
Q29
50
105044
уан
16У286
2P
cg
+
0.001
і
05P
UPC2746T
OH
f
EN
слег
вәз
AE
I| XI
|
040
ШЕТ
00011
pas
9001
2142
2178
2атк
C157
C160
|
F319
C244
28C5231
C8
зав
წრით
25 ою
JA"
>
em
qw
Sask
м,
R186
10k
R104
Вива
are
RUN
Tk
hid.
Q28
бат
2P
#
i
47k
2SC5006
5
1
R123
C224
R161
C262
8160
0.001
47k
80
0001
220
Wes
C164
0.001
120
Q16
R211
15k
XP1214
au
[5
г
7)
фун
212
Hs
IB
Я
соо!
Í
4
ais
C169
10k
9001
052
15У208
СО
06
VVCO
136-183MHz
ын
D42
р?
zu
0.001
10k
яг!
map
188
сін
C175
Wigs
DBL1
Q33
22k
22k
бооно
15Р
0001
XP113
147
0.15
шн)
R178
“4
n
08L1
679
фо
қ
E
Ra
oo:
05)
F
6r
3
ШЫ
+
47k
rigs
050
1SV308
68k
C184
qoo"
047
1SV308
Сз
C257
С256
$
22к
C107
C108
:
UPD3140
GS
020
uHT2v
229
15308
.
R67
10k
UHF3V
660186
R154
1k
+
R50
C221
oe
ДІ
ғ2
ток
0.01
CFWM450E
6429
173.
Fi
IL
4
мазгнк
сэ
Q46
mm
058
МА25077
|001
12სს
FL-293
0.
ot
0.01
WE
XP4312
27
IC10
6
|IC27
5485
|
UPC2757T-E3
C18
Mტ25077
Бор
Т
MA2S077
{вн ко]
|
Ын
2)
ცან
мес
L77
R207
R203
o
PS
[ée]
бю
820H
10k
რი
C507
150P
IC1
-
=
C158
L56
3
C234
C71
y
000
ван
UPC2757T-E3
2%
017
EFCH226MKOP1
ie
as
ND
IFO
alio
PS
C70
C206
ვ5ჩ
000
T
|
m
Г
|
1.2к
0553
io
LI
|
азу
044
ХР4312
эн
047
22k
UN9115
062
МА29077
063
MA2S077
ES
[
1
8222
2.2M
064
МА28077
L7&27mH 179220н
[ww
|
D65
R220
C508
C509
Secr.
020
Сәті
ма2207/3726
тоот
Тоос
18Р
з5Р
[олор
X
C268
C269
22P
126

Related product manuals