EasyManua.ls Logo

ICP F9MXT0401410A - Page 28

ICP F9MXT0401410A
30 pages
Print Icon
To Next Page IconTo Next Page
To Next Page IconTo Next Page
To Previous Page IconTo Previous Page
To Previous Page IconTo Previous Page
Loading...
SERVICE AND TECHNICAL SUPPORT MANUAL Gas Furnace: (F/G)9MXT
Specifications subject to change without notice.
28 440 04 4321 04
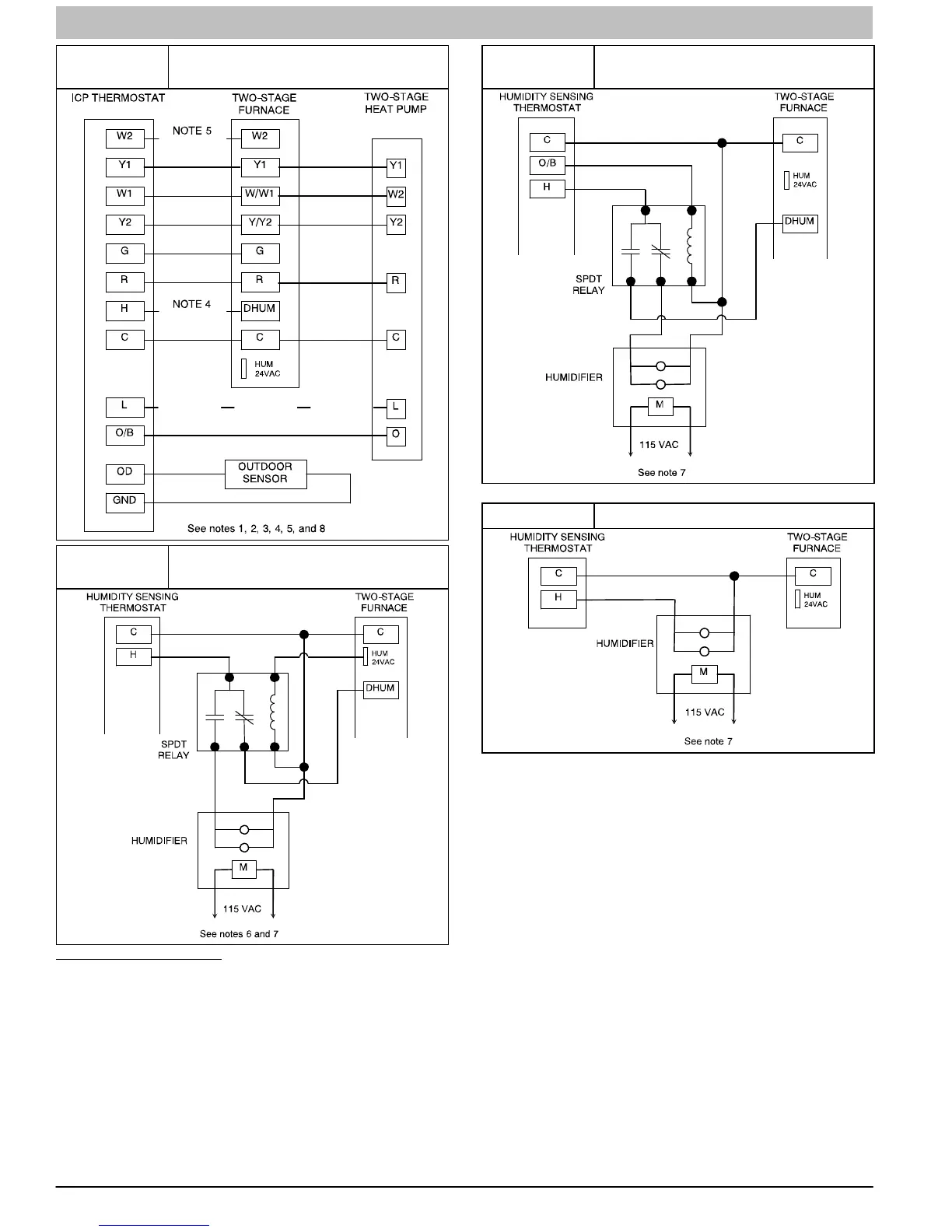
Figure 20
TwoStage Furnace with TwoStage
Heat Pump (Dual Fuel)
NOTE 9
Figure 21
AC with TwoStage Furnace, Humidifier,
and Dehumidification
Figure 22
HP with TwoStage Furnace, Humidifier,
and Dehumidification
Figure 23 TwoStage Furnace and Humidifier Only
For Figure 17 Figure 22
1. Refer to outdoor equipment Installation Instructions for additional information and setup procedure.
2. Outdoor Air Temperature Sensor must be attached in all dual fuel application.
3. Refer to ICP thermostat Installation Instructions for additional information and setup procedure.
4. When using a Humidity Sensing Thermostat, set DEHUMIDIFY OPTIONS to H DEENRGZD FOR DEHUM
5. Optional connection for TwoStage: If wire is connected, SW11(TT) on furnace control should be set to ON position to allow
ICP Thermostat to control the furnace staging.
6. HUM 24VAC terminal is 24 VAC and is energized when the low pressure switch closes during a call for heat.
7. When connecting 115 VAC to humidifier use a separate 115 VAC supply.
8. When using a humidifier on a HP installation, connect humidifier to hot water.
9. Thermostat signals may vary. Consult thermostat installation instructions for more information.

Related product manuals