EasyManua.ls Logo

Ideal Boilers HE30 - Page 28

Ideal Boilers HE30
56 pages
Print Icon
To Next Page IconTo Next Page
To Next Page IconTo Next Page
To Previous Page IconTo Previous Page
To Previous Page IconTo Previous Page
Loading...
28
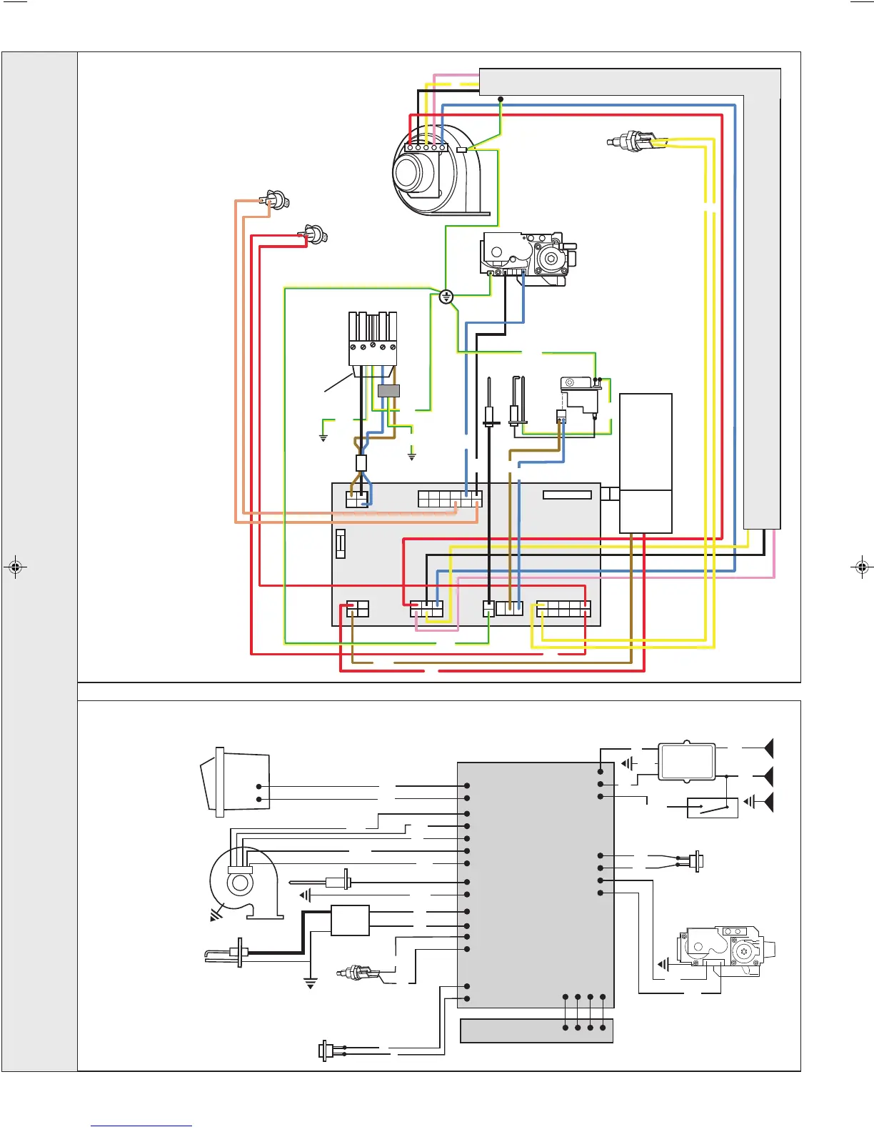
icos - Installation & Servicing
INSTALLATION
Dry fire
thermistor
Spark generator
nm8143
bk
b
br
bk
b
bk
r
r
br
b
r
r
b
r
r
r
or
or
or
or
b
pk
pk
y
y
y/g
y/g
y/g
y/g
y/g
y/g
y/g
y/g
bk
bk
Overheat
thermostat
Control
thermistor
Gas valve
ON /OFF
Switch
Service
connection
bk
Fan
y
y
Chassis
earth y/g
Control PCB
Fused at
3.15ATL
y
y
User
control
and
display
br
b
Filter
Ferrite
MAINS
SUPPLY
230V 50Hz
y/g
38
FUNCTIONAL FLOW WIRING DIAGRAM
37
PICTORIAL WIRING DIAGRAM
LEGEND
b-blue
bk - black
br - brown
gy - grey
or - orange
pk - pink
r-red
v-violet
w-white
y-yellow
y/g - yellow/green
LEGEND
b-blue
bk - black
br - brown
gy - grey
or - orange
pk - pink
r-red
v-violet
w-white
y-yellow
y/g - yellow/green
Overheat
thermostat
1
2
br
r
r
bk
y
pk
b
Mains Switch
Flame detection
electrode
DC
Fan
Ignition electrode
Control thermistor
DC Gas valve
b
bk
or
or
Control PCB
User PCB
y/g
r
r
y
y
nm8144
Spark generator
Dry fire
thermistor
br
y/g
y/g
br
bk
N
L
E
b
b
Filter
External switch e.g.
room'stat, programmer
br
b
INSTALLATION
202414-6.pmd 19/02/2008, 13:0728

Related product manuals