EasyManua.ls Logo

IDEAL Concord CX-100 - Zones with Individually Pumped Zones (3 zones shown); Zones with Spring-Return Motorised Valves

IDEAL Concord CX-100
36 pages
Print Icon
To Next Page IconTo Next Page
To Next Page IconTo Next Page
To Previous Page IconTo Previous Page
To Previous Page IconTo Previous Page
Loading...
Concord CX - Installation
17
INSTALLATION
18
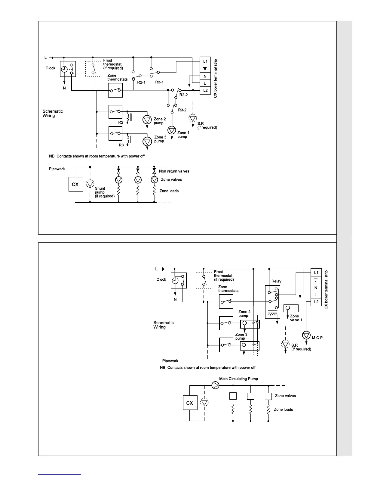
ZONES WITH SPRING-RETURN MOTORISED VALVES
IMPORTANT
Terminal L2 may control the appropriate
pump(s) directly, provided that the total
running or starting current does not exceed
6A (resistive or inductive): if this rating would
be exceeded, then appropriate switchgear
must be used to control the pumps indirectly.
Three zones are illustrated but the principles
may be extended as required, provided the
above conditions are met. Only one relay is
required, irrespective of the number of zones.
Overrun
During overrun and dormant periods, Zone
Valve 1 is held open. This zone, therefore,
must satisfy the conditions in the foregoing
paragraphs and Graph 1.
Normal operation
During a call for heat on Zone 1 only, the
boiler energises via Zone 1 thermostat and
the normally closed contacts of the relay.
During a call for heat on other zone(s), the
relay will be energised by the auxiliary switch
on the zone valves. This provides power to
energise the boiler. If, in addition, Zone 1 now
calls for heat, its thermostat will open Zone 1
valve via the normally open contacts of the
relay.
IMPORTANT
Terminal L2 may control the appropriate
pump(s) directly, provided that the total
running or starting current does not exceed
6A (resistive or inductive): if this rating
would be exceeded then appropriate
switchgear must be used to control the
pumps indirectly.
Three zones are illustrated but the
principles may be extended as required,
provided the above conditions are met. For
each zone (except Zone 1) a relay with 2 C/
O contacts is required.
Overrun
During overrun periods, Zone 1 pump
performs the overrun facility; this zone,
therefore, must satisfy the conditions in the
foregoing paragraphs and Graph 1.
Normal operation
During a call for heat on Zone 1 only, Zone
1 thermostat energises the boiler, which in
turn energises Zone 1 pump from terminal
L2.
During a call for heat on other zones, the
appropriate relay directs power to L1 to
energise the boiler, at the same time
ensuring that Zone 1 pump is controlled by
Zone 1 thermostat.
When the clock period ends, Zone valve 1 will (stay) open via normally
closed relay contacts to achieve pump overrun.
INSTALLATION
17
ZONES WITH INDIVIDUALLY PUMPED ZONES (3 zones shown)

Related product manuals