EasyManua.ls Logo

Identiv uTrust TS - Mounting the Reader

Default Icon
15 pages
Print Icon
To Next Page IconTo Next Page
To Next Page IconTo Next Page
To Previous Page IconTo Previous Page
To Previous Page IconTo Previous Page
Loading...
uTrust TS Contact Keypad Reader
Page 11 of 15
7.4 Mounting the Reader
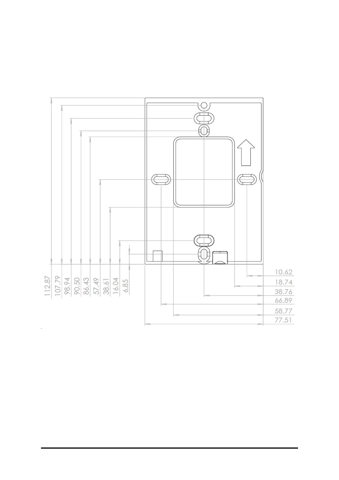
7.4.1 Reference for location of mounting holes on the wall
Phoenix connector Reader 4 Holes and 1 Slot
7.4.2 Reader Installation Steps
a. Make the required holes on the wall as per the backplate drawing above.
b. The reader is to be mounted at a height less than 2 meters from the floor for MS1 compliance
as per IEC 62368-1
c. Insert the nylon screw plugs into the wall.
d. Connect the wires as per the Table 2 or Table 3.
e. Secure the backplate onto the wall using the Screws (A #6-18X1.5" SS )
f. Hook the reader onto the backplate
g. Secure the reader and backplate by the Snake Eye Screw (SMF #6-32X5/16" SS)

Related product manuals