EasyManua.ls Logo

IGBT MIG-200M - Page 5

IGBT MIG-200M
21 pages
Print Icon
To Next Page IconTo Next Page
To Next Page IconTo Next Page
To Previous Page IconTo Previous Page
To Previous Page IconTo Previous Page
Loading...
4
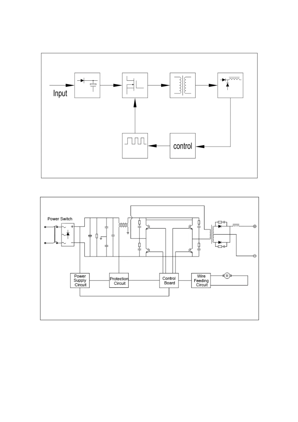
2.1 Flow Diagram:
2.2 Schematic Diagram:

Related product manuals