EasyManua.ls Logo

ILVE OV60 - Page 38

ILVE OV60
48 pages
Print Icon
To Next Page IconTo Next Page
To Next Page IconTo Next Page
To Previous Page IconTo Previous Page
To Previous Page IconTo Previous Page
Loading...
INSTALLATION
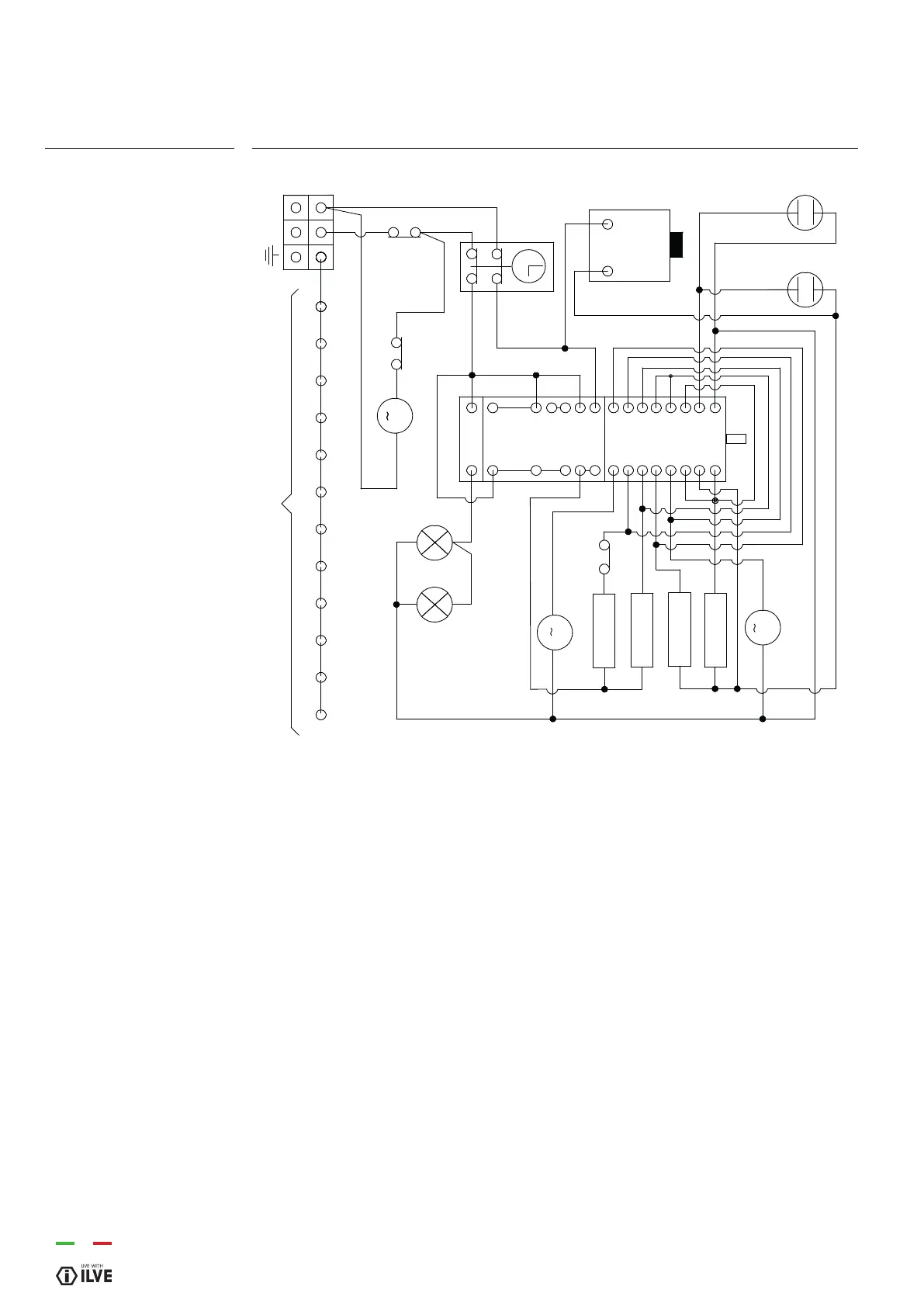
Wiring diagrams
C
K
I
10
16
14
12
9
11
13
15
J
M
P
2
8
6
4
1
3
5
7
C
A
B
E
H
D
2
1
P
M
VT
TS
N F
M
K2K1 K4K3 K6
45
K5 K8K7 K9 K11 K12
11
11
TT
66
K15
6666
11
11
11
11
11
66
L1
L2
33
11
R1
22
R3
00
R2
55
R4
44
M
V
M
MG
66
22
S2 S1
2
1
TF
66
66 66
11
11
00
00
00
00
00
00
33
66
66
66
66
66
66
66
66
66
66
66
00
00
00
33
33
33
00
00
0000
22
22
22
00
11
11
11 00
44
44
55
00
00
22
44
11
55
33
LEGENDA
_ C
_ MG
_ VT
_ TS
_ S1
_ S2
_ TF
_ L1
_ L2
_ V
_ M
_ P
_ S
_ 00
_ 11
_ 22
_ 33
_ 44
_ 45
_ 55
_ 66
_ K1
_ K2
_ K3
_ K4
_ K5
_ K6
_ K7
_ K8
_ K9
_ K11
_ K12
_ 1
_ 2
_ 3
_ 4
= Commutatore
= Girarrosto
= Ventilatore tangenziale
= Termostato di sicurezza
= Luce spia forno
= Luce spia rete
= Termostato forno
= Luce forno
= Luce forno
= Ventilatore radiale
= Morsettiera
= Programmatore
= Sonda per cibo
= Nero
= Marrone
= Rosso
= Bianco
= Giallo
= Giallo-Verde
= Grigio
= Blu
= Filo terra morsettiera
= " " res. suola
= " " motovent. radiale
= " " res. circolare
= " " res. cielo
= " " luce forno 1
= " " luce forno 2
= " " girarrosto
= " " motovent. tangen.
= " " termostato forno
= " " programmatore
= Resist. cielo
= Resist. suola
= Resist. grill
= Resist. circolare
_ F
_ N
= Fase
= Neutro
= Termostato ventilatore tangenziale
_ TT
/
/
/
12/07/2019
N.F.
Schema elettrico forno MP
/
Sost. il N°
DISEGNO N°
Trattamento
Quantità
pezzi
Il presente disegno non può essere riprodotto, utilizzato o comunicato a terzi.
Dimensione grezzo
Denominazione
Scala
MODIFICHE
N°
MATERIALE
Peso grezzo
Denominazione
Data
Dis.
Q.tà
Dimensione nita
Peso nito
Nø Attrezzatura
Classica
Materiale
Tolleranza
Gruppo
Disegno
Prodotto
CAMPODARSEGO PD
S.P.A.
UFFICIO TECNICO
Classica
MP
_ MP = Micro porta
OV 60 MP
OV 80 MP
OV 90 MP
38

Related product manuals