EasyManua.ls Logo

ILVE OV60 - Page 42

ILVE OV60
48 pages
Print Icon
To Next Page IconTo Next Page
To Next Page IconTo Next Page
To Previous Page IconTo Previous Page
To Previous Page IconTo Previous Page
Loading...
INSTALLATION
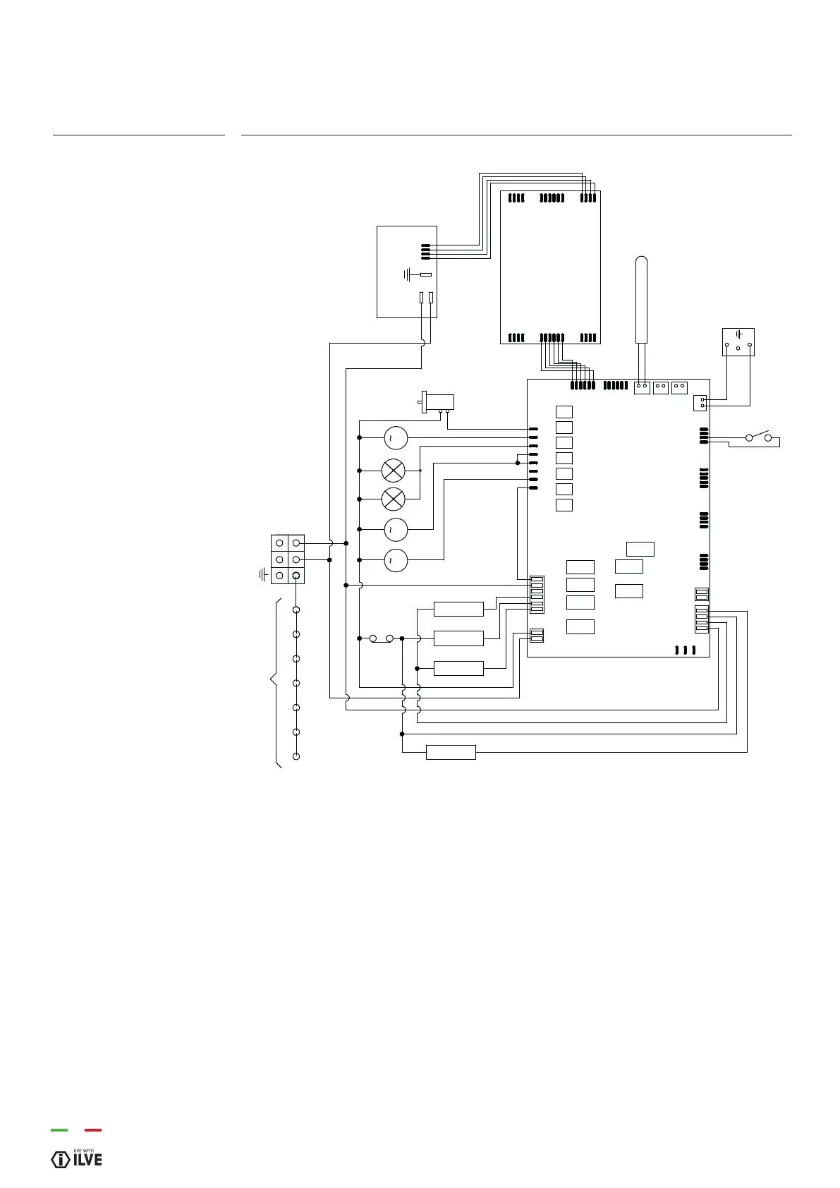
Wiring diagrams
Schema elettrico forno OV60S..TCT3,
N.F.
/
/
08/07/2019
/
Sost. il N°
DISEGNO N°
Trattamento
Quantità
pezzi
Il presente disegno non può essere riprodotto, utilizzato o comunicato a terzi.
Dimensione grezzo
Denominazione
Scala
MODIFICHE
N°
MATERIALE
Peso grezzo
Denominazione
Data
Dis.
Q.tà
Dimensionenita
Pesonito
N° Attrezzatura
Classica
Materiale
Tolleranza
Gruppo
Disegno
Prodotto
CAMPODARSEGO PD
S.P.A.
UFFICIO TECNICO
Classica
LEGENDA
_ VT
_ TS
_ L1
_ VR
_ M
_ 00
_ 11
_ 22
_ 33
_ 44
_ 45
_ 55
_ 66
_ K1
_ K2
_ K3
_ K4
_ K5
_ K6
_ R1
_ R2
_ R3
_ R4
= Ventilatore tangenziale
= Termostato di sicurezza
= Luce forno
= Ventilatore radiale
= Morsettiera
= Nero
= Marrone
= Rosso
= Bianco
= Giallo
= Giallo-Verde
= Grigio
= Blu
= Filo terra morsettiera
= " " res. suola
= " " motovent. radiale
= " " res. circolare
= " " res. cielo
= " " luce forno 1
= Resist. cielo
= Resist. suola
= Resist. grill
= Resist. circolare
_ F
_ N
= Fase
= Neutro
_ K15
= " " telaio
_ SP
= Scheda potenza
_ SD
= Scheda display
_ CP
= Collegamento sonda cottura
_ L2
= Luce forno
_ MP
= Micro porta
_ DU
= Termoattuatore a cera scarico vapore
_ MG
= Motore girarrosto
J11
SP
J12J16
J10J7J8J9
J6
J5
J4
J3
J2
J1
J14
J13 J15
1111
1
1
1
1
1
DU
M
MG
L1
L2
M
VT
M
VR
R3
22
00
R2
00
11
R1
11
00
66
33
44
44
R4
55
11
TS
N F
66
11
K2K1 K4K3 K6
45
K5
K15
PT1000
B
C
A
CP
MP
J3
J6
J4
1
1
1
1
1
J2
J1
J10
1
1
1
P1
P2
P3
J1
1
OV80S..TCT3, OV90S..TCT3 con TFT
11
11
11
11
11
11
11
33
00
33
00
66
66
66
66
66
11
11
11
66
66
55
11
11
11
11
11
11
SD
SA
_ SA
= Scheda alimentazione
OV 60 STCT3
OV 80 STCT3
OV 90 STCT3
42

Related product manuals