EasyManua.ls Logo

IMER TR 225 - Page 15

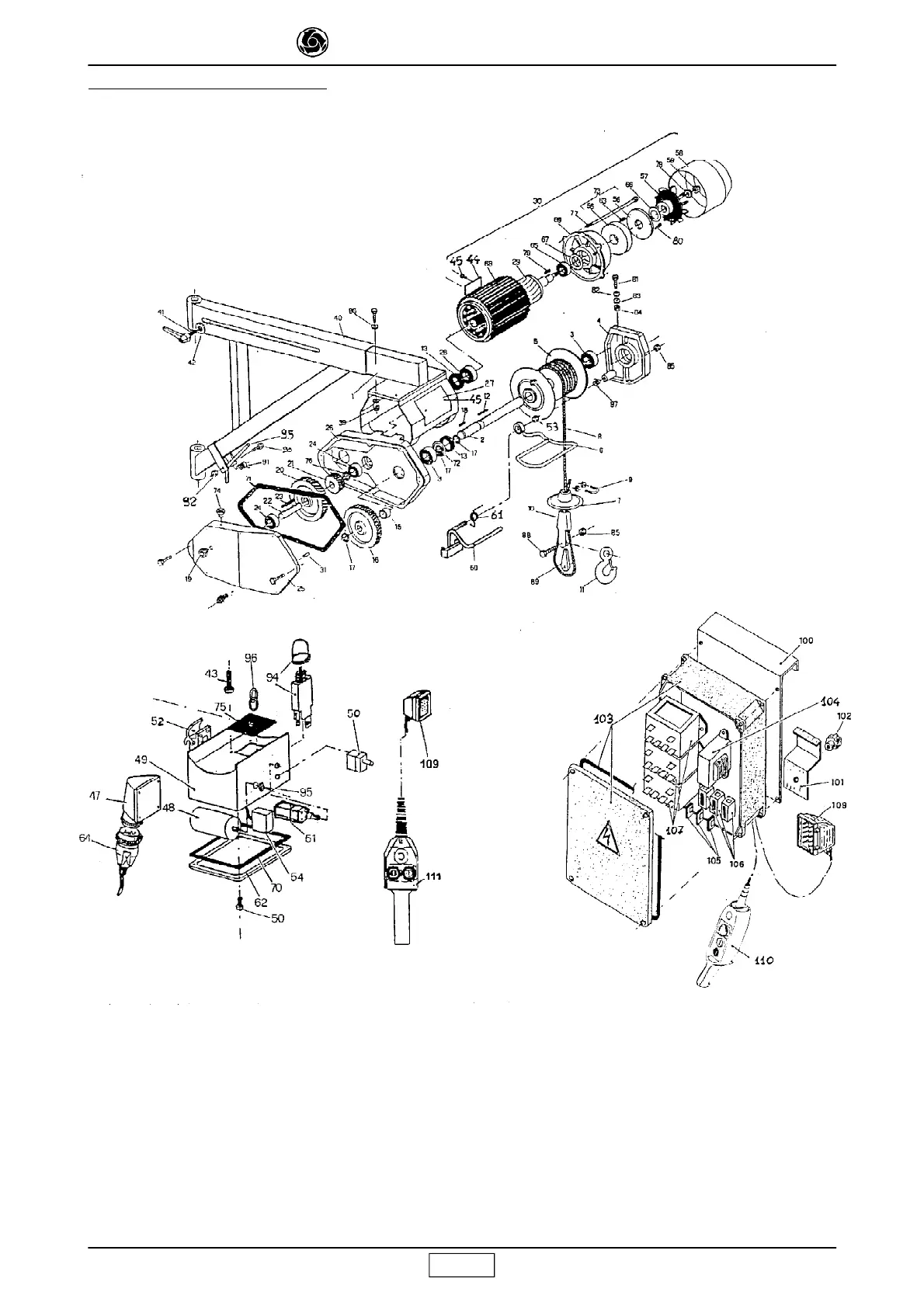
IMER TR 225
Print Icon
To Next Page IconTo Next Page
To Next Page IconTo Next Page
To Previous Page IconTo Previous Page
To Previous Page IconTo Previous Page
Loading...
TR 225
15
IMER INTERNATIONAL S.p.A.
ELEVATORE - HOIST - TR 225 110V 50Hz
(1140623)
(1191004)
(1191028 - 1191031)

Related product manuals