EasyManua.ls Logo

Immergas EOLO Star Export - Page 19

Immergas EOLO Star Export
32 pages
Print Icon
To Next Page IconTo Next Page
To Next Page IconTo Next Page
To Previous Page IconTo Previous Page
To Previous Page IconTo Previous Page
Loading...
Technical documentation Technical documentation
STES ed 07/01
17
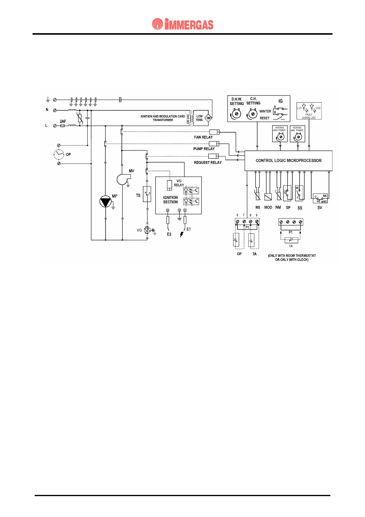
EOLO STAR
ELECTRICAL CIRCUIT
HEATING PHASE
When the main switch (IG) is in WINTER position, it powers the low-voltage circuit and enables
board operation during heating.
If the water pressure switch (SP) reads a pressure in the heating circuit above minimum value (SP
switch closed), on closing the room thermostat contact (TA), the adjustment circuit starts circulator
(MP) and powers the RELAY PUMP.
If the temperature read by the C.H. NTC sensor is below that set on the control panel by means of
the heating potentiometer, the board starts the fan (MV) by triggering the FAN RELAY.
The consequent closing of the flue gas pressure switch (SV) causes the adjustment circuit to power
the REQUEST RELAY.
This way, the board ignition circuit is enabled (IGNITION SECTION) which first of all triggers the
ignition electrode (E1) and then supplies the RELAY V/G.
With the consensus of the overheating thermostat (TS), the closing of the contact of RELAY V/G
powers both coils of gas valve (VG).
Burner ignition is detected by the ionisation electrode (E3).
NOTE: Every time the boiler shuts off after reaching the set temperature, the adjustment circuit
stops burner operation in heating phase for 180/30 seconds.

Related product manuals