EasyManua.ls Logo

Immergas EOLO Star Export - Page 20

Immergas EOLO Star Export
32 pages
Print Icon
To Next Page IconTo Next Page
To Next Page IconTo Next Page
To Previous Page IconTo Previous Page
To Previous Page IconTo Previous Page
Loading...
Technical documentation Technical documentation
STES ed 07/01
18
EOLO STAR
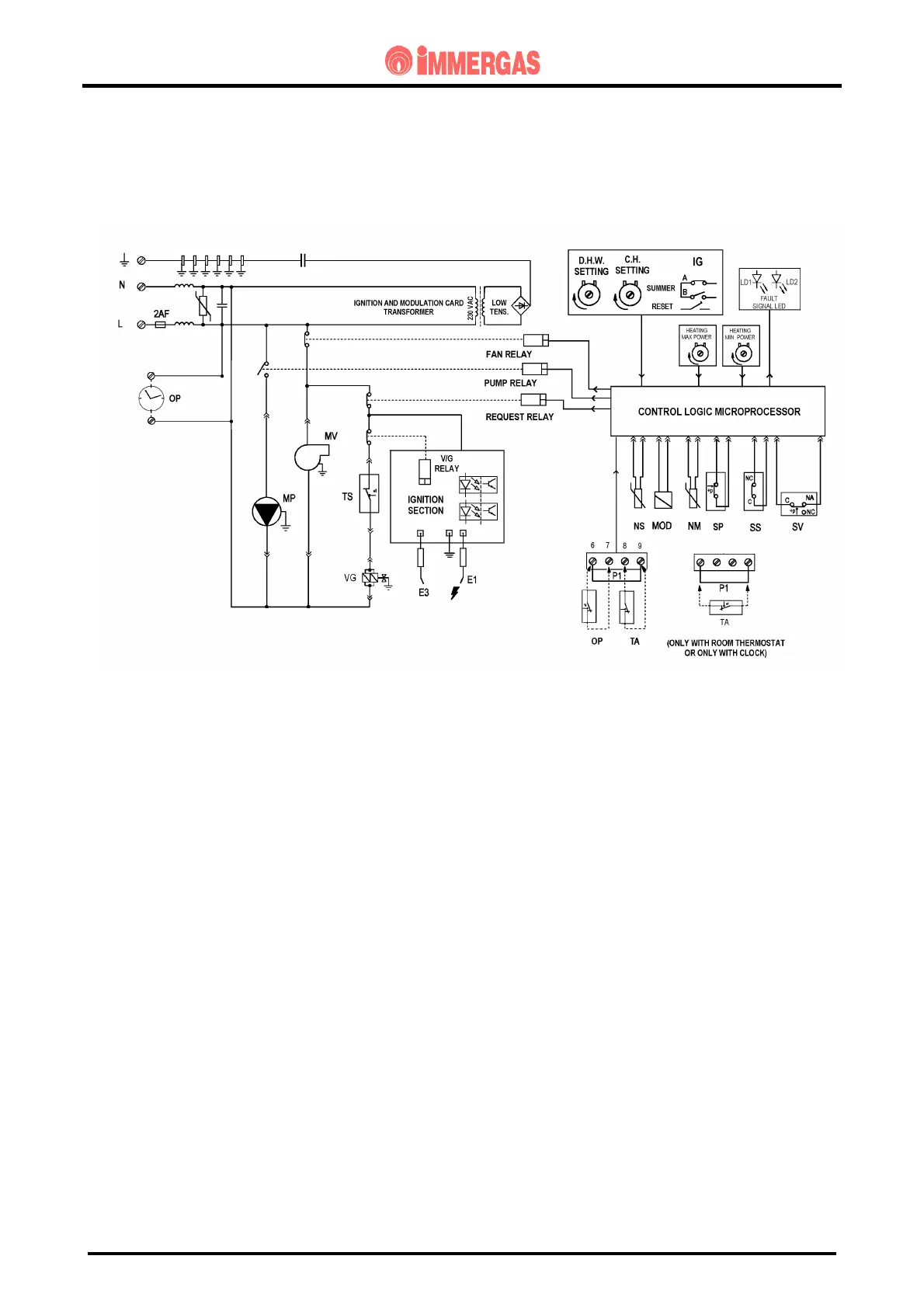
ELECTRICAL CIRCUIT
HOT WATER PHASE
Operation
When the main switch (IG) is in SUMMER or WINTER position, this powers the low-voltage
circuit and enables operation in hot water phase.
When the hot water is run, the microswitch contact (SS) of the hot water flow switch closes.
This way, if the water pressure switch (SP) measures a pressure above minimum value in the
heating circuit (SP switch closed), operation in hot water phase is enabled, during which the
circulator (MP) is not started or is switched off in the event of heating request under way.
Subsequently, if the temperature read by the NTC hot water sensor (NS) is below that set on the
control panel by means of the hot water potentiometer, the board starts the fan (MV) by triggering
the FAN RELAY.
The consequent closing of the flue pressure switch (SV) causes the adjustment circuit to power the
REQUEST RELAY.
This way, the board ignition circuit is enabled (IGNITION SECTION) which first of all triggers the
ignition electrode (E1) and then excites the RELAY V/G.
With the consensus of the overheating thermostat (TS), the closing of the RELAY V/G contact
energises both coils of the gas valve (VG).
Burner ignition is detected by the ionisation electrode (E3).

Related product manuals