EasyManua.ls Logo

Immergas VICTRIX 50 - Single Boiler Installation

Immergas VICTRIX 50
48 pages
Print Icon
To Next Page IconTo Next Page
To Next Page IconTo Next Page
To Previous Page IconTo Previous Page
To Previous Page IconTo Previous Page
Loading...
39
STV50 ed 09/08 VICTRIX 50 Rev. 002
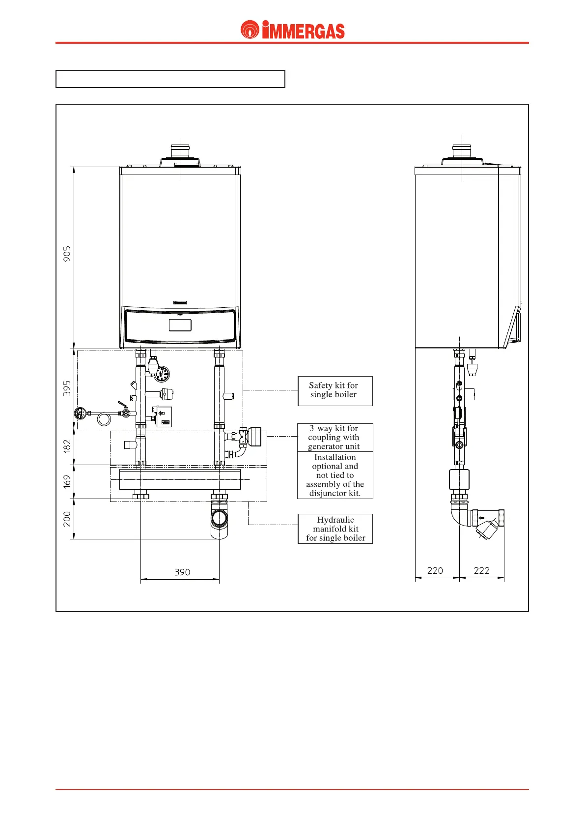
Installation of a single VICTRIX 50 boiler.
e VICTRIX 50 boiler can be installed singly and work in the
central heating mode only, to which an external storage tank can
be coupled if wanted, by way of a specic 3-way diverter valve
kit (optional) for the production of domestic hot water with
capacities of 80, 105, 120 and 200 litres, or control the storage
tank as a system zone.
To comply with the ISPESL standards regarding safety in systems
where power is higher than 35 kW, an (optional) ISPESL safety
kit is available.
e distribution manifold kit with lter is available (optional)
for big systems or where the water content is high.
Technical Documentation
Technical Documentation

Other manuals for Immergas VICTRIX 50

Related product manuals