EasyManua.ls Logo

Immergas VICTRIX PRO V2 EU - Page 139

Immergas VICTRIX PRO V2 EU
144 pages
Print Icon
To Next Page IconTo Next Page
To Next Page IconTo Next Page
To Previous Page IconTo Previous Page
To Previous Page IconTo Previous Page
Loading...
VICTRIX PRO V2 EU
139
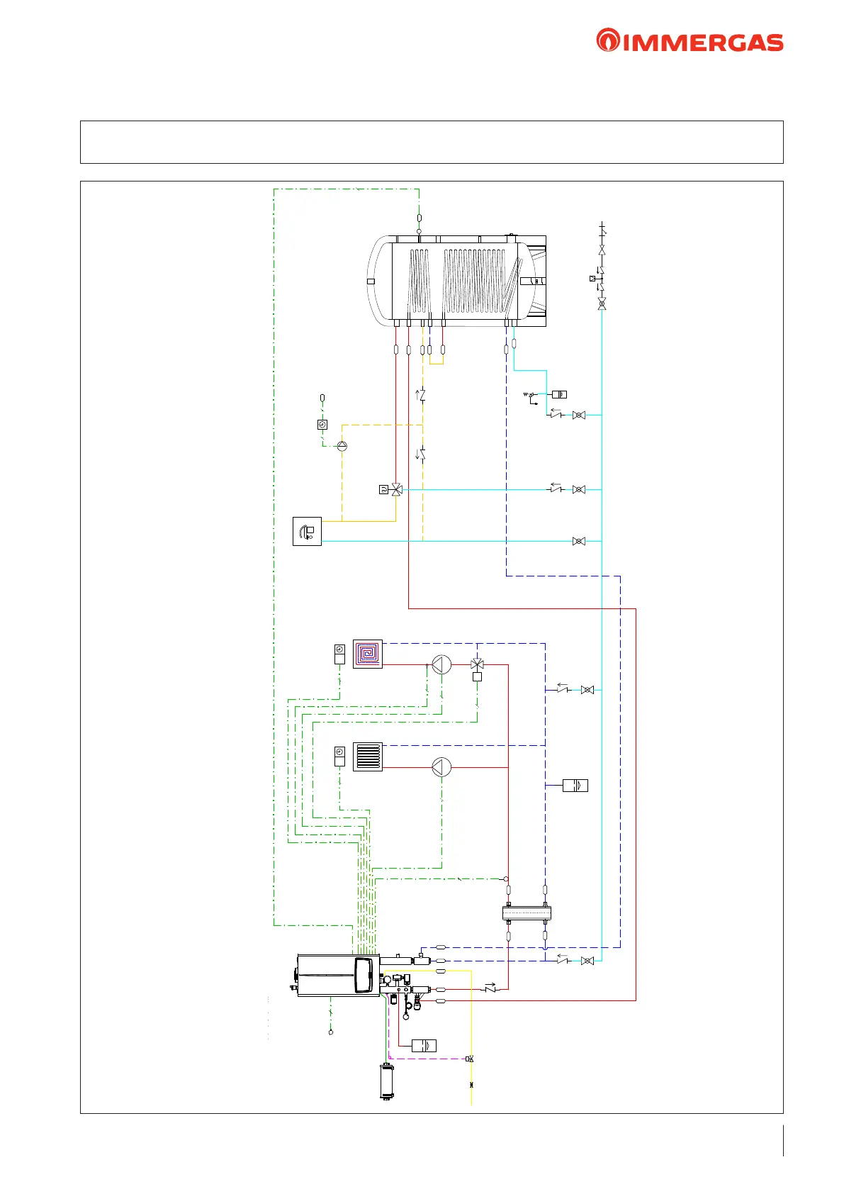
36 HYDRAULIC DIAGRAM:VICTRIX PRO V2 EU WITH 1 DIRECT ZONE
1 MIXED ZONE AND 3WAY VALVE WITH DHW PRIORITY
NOTE: e diagram provided here is indicative, see notes on the back of the cover
B4
2
B1
2
2
HMIX
C
V
2 2
230Vac
M4
M10-1 M10-2
M
M31-2
B3-2
2
2
3
2
T
S20-2
2
T
S20-1
2
R
M
B2
AC
MU
RU
MP
RP
AF
RC
B2
UB
MZ1
RZ1
MZ1
RZ1
SP
G
GAS
VIC
NC
C
INAIL
M30
MU
RU
LEGENDA:
B1 Sonda mandata comune
B2 Sonda bollitore
B3-2 Sonda mandata impianto zona 2
B4 Sonda esterna
M4 Circolatore di ricircolo sanitario
M10-1 Circolatore di rilancio zona 1
M10-2 Circolatore di rilancio zona 2
M30 Valvola deviatrice sanitaria
M31-2 Valvola miscelatrice zona 2
S20-1 Cronotermostato ambiente zona 1
S20-2 Cronotermostato ambiente zona 2
C Caldaia VICTRIX PRO 35-55-80 V2
NC Neutralizzatore di condensa
SP Scambiatore a piastre
UB Unità bollitore
NOTE:
si ricorda di realizzare i circuiti di scarico condensa
il presente schema funzionale è esemplificativo
verificare i libretti istruzioni per la predisposizione degli allacciamenti idraulici ed elettrici
e per la sezione dei cavi
verificare i libretti istruzioni per il posizionamento dei componenti e delle distanze
massime ammissibili
per VICTRIX PRO 35 V2 è possibile omettere il Kit sicurezze INAIL in quanto la portata
termica è inferiore a 35 kW
C Caldaia VICTRIX PRO V2 EU
NOTES:
> remember to install the condensate drain circuits
> this diagram is an example
> check the instruction booklets for the set up of the hydraulic and electric connections
> and for the cross-section of the cables
> check the instruction booklets for positioning of the components and maximum allowable distances
Common ow probe
Storage tank probe
System ow probe zone 2
External probe
DHW pump
Domestic hot water recirculation pump
Zone 1 booster pump
Zone 2 booster pump
Zone 2 mixing valve
Zone 1 room chrono-thermostat
Zone 2 room chrono-thermostat
VICTRIX PRO V20 EU boiler
Condensate neutraliser
Plate heat exchanger
Storage tank unit
KEY:

Related product manuals