EasyManua.ls Logo

Impex IGS-6201 - Assembly Instruction

Impex IGS-6201
45 pages
Print Icon
To Next Page IconTo Next Page
To Next Page IconTo Next Page
To Previous Page IconTo Previous Page
To Previous Page IconTo Previous Page
Loading...
ASSEMBLY INSTRUCTION
Tools Required Assembling the Machine: Two Adjustable Wrenches and Allen Wrenches
NOTE: It is strongly recommended two or more people assembling this machine to avoid
possible injury.
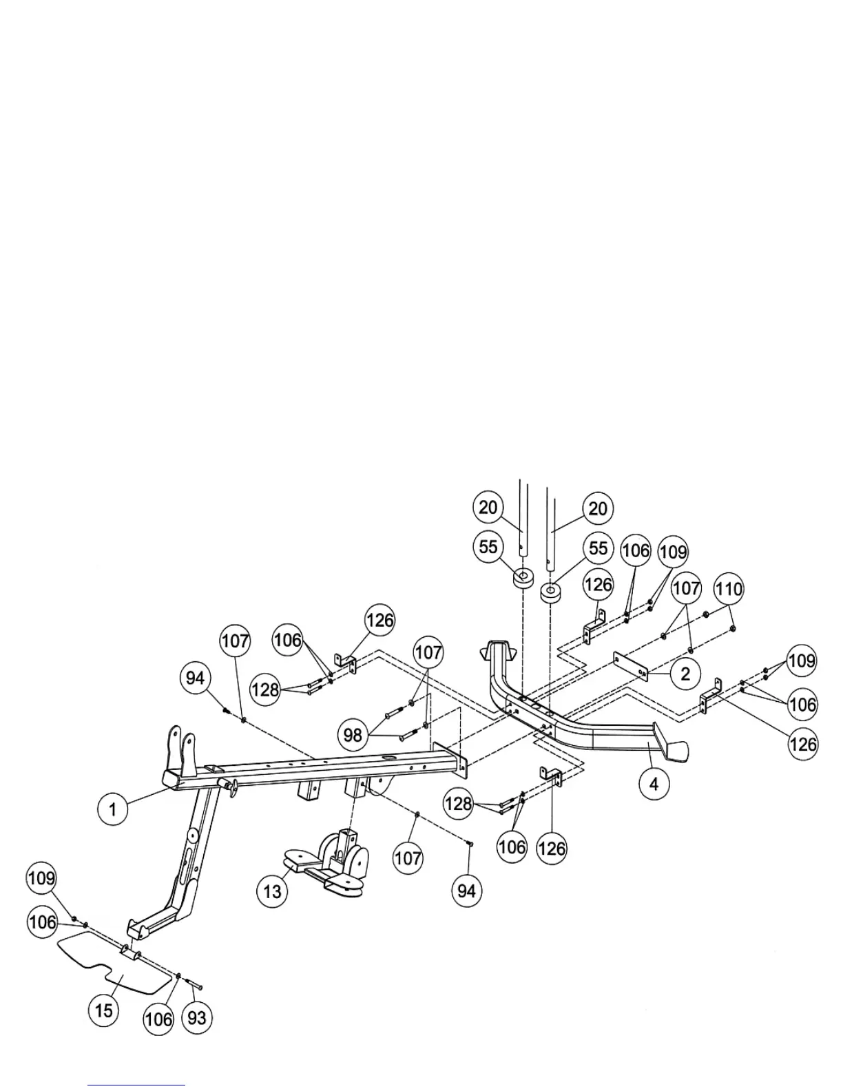
STEP 1 (See Diagram 1)
A.) Attach the Butterfly Pulley Bracket (#13) to the Main Support Frame (#1) from the bottom. Secure
it with two M10 x ¾” Allen Bolts (#94) and two Ø ¾” Washers (#107).
B.) Place the two Rubber Bumpers (#55) onto the holes on the Rear Base Frame (#4). Insert the two
Guide Rods (#20) through the Rubber Bumpers into the holes on the Rear Base Frame.
C.) Attach the Main Support Frame (#1) to the Rear Base Frame. Secure it with two M10 x 3” Allen
Bolts (#98), one Bracket (#2), four Ø ¾” Washers (#107), and two M10 Aircraft Nuts (#110).
Rotate the Guide Rods to align the holes so the bolts can go through.
D.) Install four Weight Stack Cover Brackets (#126) to the Rear Base Frame. Secure the Brackets
with four M8 x 2 ¾” Allen Bolts (#128), eight Ø 5/8” Washers (#106), and eight M8 Aircraft Nuts
(#109).
E.) Attach the Foot Plate (#15) to the front base on the Main Support Frame. Align the holes and
secure it with one M8 x 3” Allen Bolt (#93), two Ø 5/8” Washers (#106), and one M8 Aircraft Nut
(#109).
DIAGRAM 1
10

Related product manuals