EasyManua.ls Logo

Impex IGS-6201 - Page 19

Impex IGS-6201
45 pages
Print Icon
To Next Page IconTo Next Page
To Next Page IconTo Next Page
To Previous Page IconTo Previous Page
To Previous Page IconTo Previous Page
Loading...
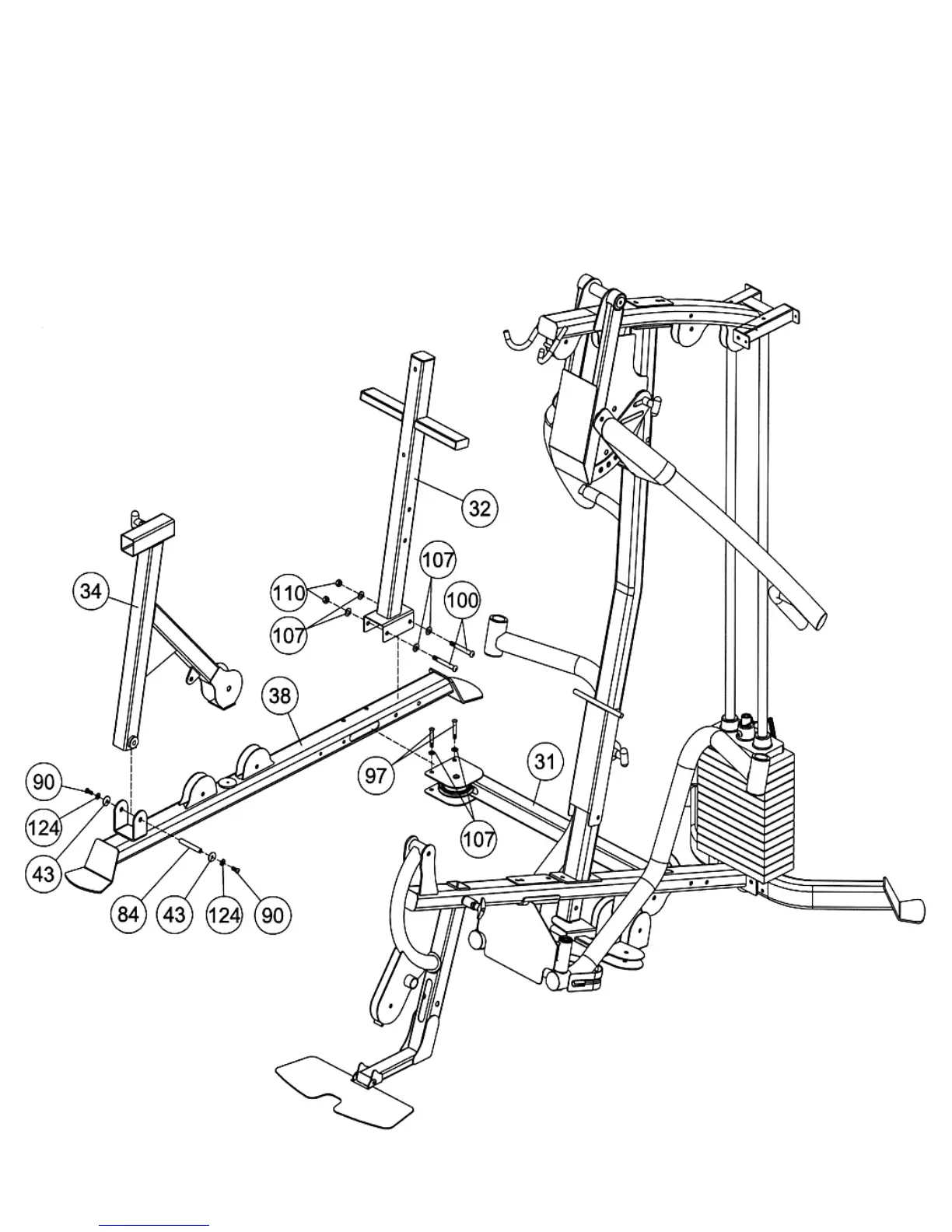
STEP 7 (See Diagram 7)
A.) Attach the Leg Press Base Frame (#38) to the bracket on the Leg Press Rear Base Frame (#31).
Secure it with two M10 x 2 ¾” Allen Bolts (#97), and two Ø ¾” Washers (#107). Securely tighten
the Nuts and Bolts previously installed in Step-6, Procedure C.
B.) Attach the Leg Press Post (#34) to the open bracket on the Leg Press Base Frame. Insert the 3
¼” Leg Press Axle (#84) through the pivot. Secure each end of the Axle with one M8 x ¾” Allen
Bolt (#90), Ø 5/8” Lock Washer (#124), and Ø 5/8” Large Washer (#43).
C.) Attach the Leg Press Backrest Support (#32) to the Leg Press Base Frame. Secure it with two
M10 x 3 ½” Allen Bolts (#100), four Ø ¾” Washers (#107), and two M10 Aircraft Nuts (#110).
18

Related product manuals