EasyManua.ls Logo

Indesit MOON 2006 - Wiring Diagrams; Electrical Wiring Diagram

Indesit MOON 2006
31 pages
Print Icon
To Next Page IconTo Next Page
To Next Page IconTo Next Page
To Previous Page IconTo Previous Page
To Previous Page IconTo Previous Page
Loading...
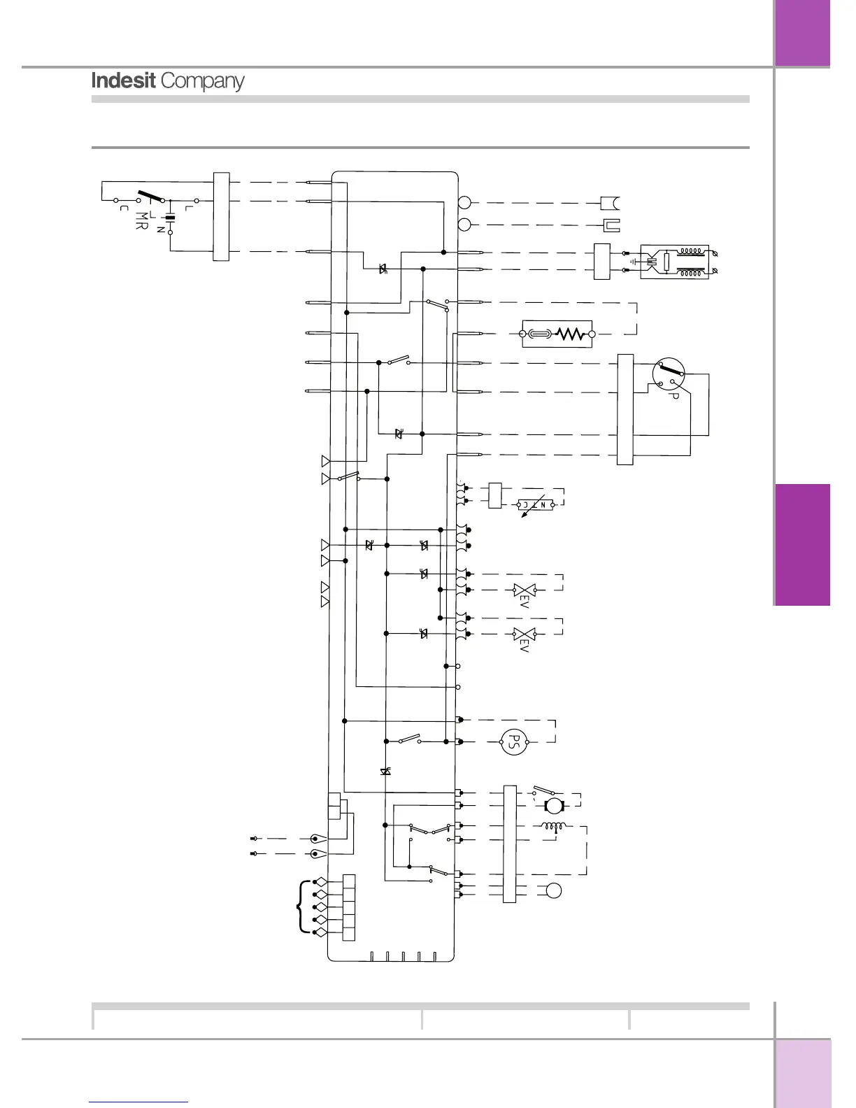
WIRING DIAGRAMS
15
GB
Service Manual
MOON - 2006
Linguage
English
Edition
2006.06.12
4. WIRING DIAGRAMS:
4
N
C
TO BE CONNECTED
TRADITIONAL DOOR LOCK
j15
Vcc
GND
S
CL
S
DA
j
7
Control
board connector
j12
12
11
2
1
*
2
1
La
v.
2
1
j13
3
j14
2
1
21
1
5432
1
1
line
neutra
l
5
4
3
2
1
j11
98
RTN_DOOR
RTN_IP
21
10A
10w
10w
1A
1
A
10
A
10A
8A
10A
10A
1
2A
1
2A
12
A
12A
j4
j
2
j14
j8
j
3
j1
j
5
D
65
RR
6
4
2
1
3
2
1
T
G
SE
N
.
COND
RX
GND
CO
M
UNE
PI
EN
O
VUO
TO
1
9
7
64 3
23
4
3
2
4
C
1
43
2
1
4
3
2
1
2
1
2
1
T
e
s
t
R
TF
R
R
5
1
1
611
14
1
12
L
N
PL
EV
P
EV
L
O
VER
F
L
O
W
W
1
1
2
1
2
1
2
3
4
5
Stat.CP
Stat.C
I
Stat.
1
2
3
4
5
6
7
7
6
5
3
2
1
7
6
4
3
21
4
5
6a
6a
6a
6a
6a
j9
M
T
j
1
3

Related product manuals