EasyManua.ls Logo

Infiniton GWA-11NP - Page 21

Infiniton GWA-11NP
Print Icon
To Next Page IconTo Next Page
To Next Page IconTo Next Page
To Previous Page IconTo Previous Page
To Previous Page IconTo Previous Page
Loading...
20
Instrucciones de conversión
Nuestros calentadores de gas atmosféticos están diseñados para funcionar con gas
natural (metano) o L.P.G. gas (propano).
Si necesita cambiar de un gas a otro, debe comunicarse con uno de nuestros Centros
de servicio autorizados para convertir el aparato.
El cambio de gas se puede realizar con el kit de conversión de gas, que se puede
comprar en nuestros distribuidores o en el centro de posventa. Para obtener
información detallada, llame a nuestro número de servicio.
Para cambiar el tipo de gas, proceda de la siguiente manera:
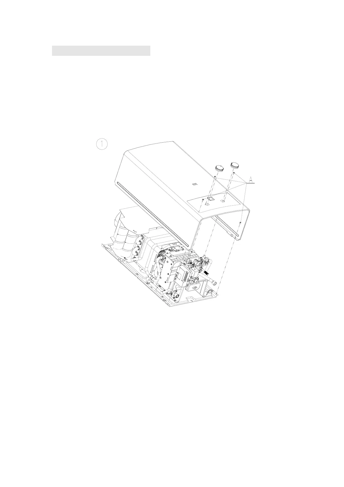
fig.15
1. Cierre el suministro de gas y agua. Quite los 4 tornillos y la perilla en el panel
frontal del aparato (fig.15, paso A) y retire la cubierta frontal, el técnico tendría que
mover la cubierta frontal hacia abajo y aflojar la conexión del clip.

Related product manuals