EasyManua.ls Logo

Infiniton GWA-11NP - Troca de Gás

Infiniton GWA-11NP
Print Icon
To Next Page IconTo Next Page
To Next Page IconTo Next Page
To Previous Page IconTo Previous Page
To Previous Page IconTo Previous Page
Loading...
Page 20
Instruções de conversão
Nossos aquecedores de água instantâneos são projetados para funcionar com Gás
Natural
(metano) ou L.P.G. gás (propano).
Se você precisar mudar de um gás para outro, um de nossos Centros de Serviço
Autorizados deve ser contatado para converter o aparelho.
A troca de gás pode ser realizada com o kit de conversão de gás, que pode ser adquirido
em nossos distribuidores ou após o centro de serviço, para informações detalhadas,
ligue para nosso número de serviço.
Para alterar o tipo de gás, proceda da seguinte forma:
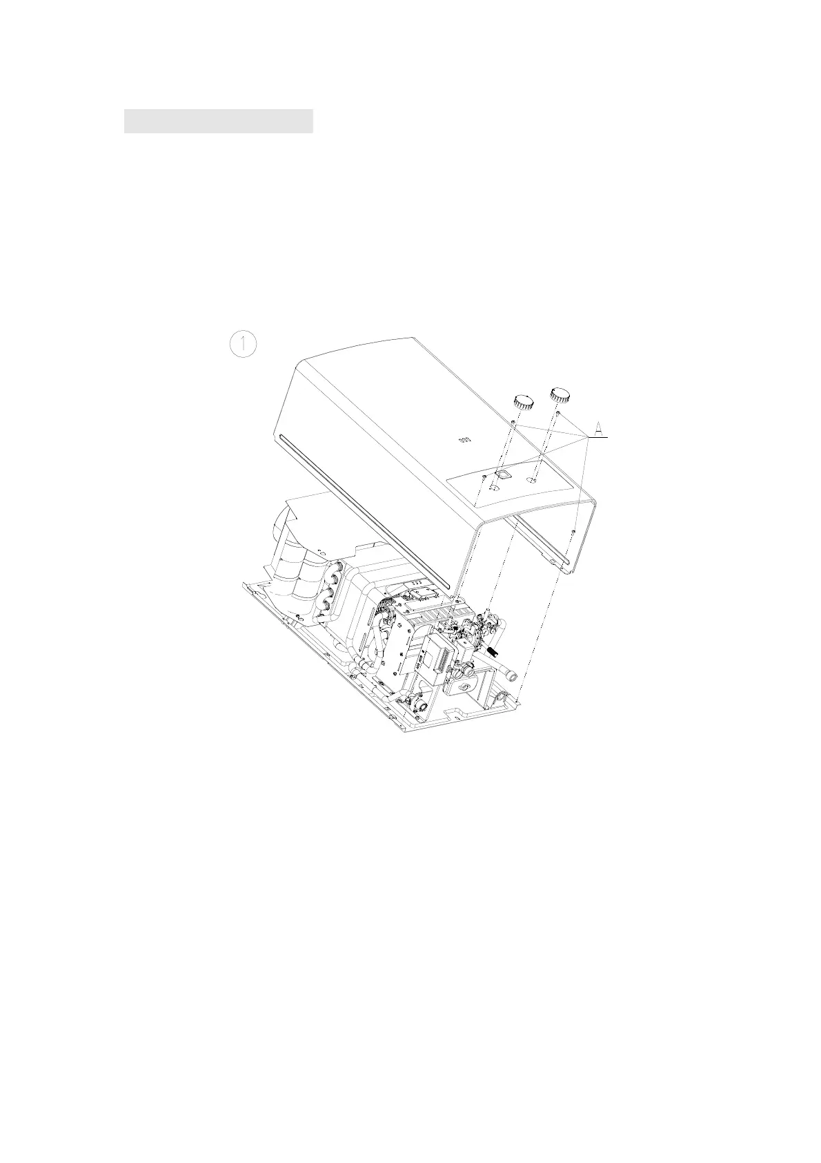
fig.15
1. Feche o abastecimento de gás e água. Remova o parafuso 4 e o botão no painel
frontal do aparelho (fig.15, passo A) e remova a tampa frontal, o técnico teria que mover
a tampa frontal para baixo e soltar o clipe de conexão e, em seguida, mova para cima
para sair da trilha.

Related product manuals