EasyManua.ls Logo

Infiniton GWA-11NP - Page 46

Infiniton GWA-11NP
Print Icon
To Next Page IconTo Next Page
To Next Page IconTo Next Page
To Previous Page IconTo Previous Page
To Previous Page IconTo Previous Page
Loading...
Page 20
Conversion instructions
Our instantaneous water heaters are designed to function either with Natural Gas
(methane) or L.P.G. gas (propane).
If you need to change from one gas to another, one of our Authorized Service Centers
must be contacted to convert the appliance.
The gas changeover can be realized with gas conversion kit, which is purchasable in
our distributors or after service center, for detailed information please call our
service number.
To change the gas type, proceed as following:
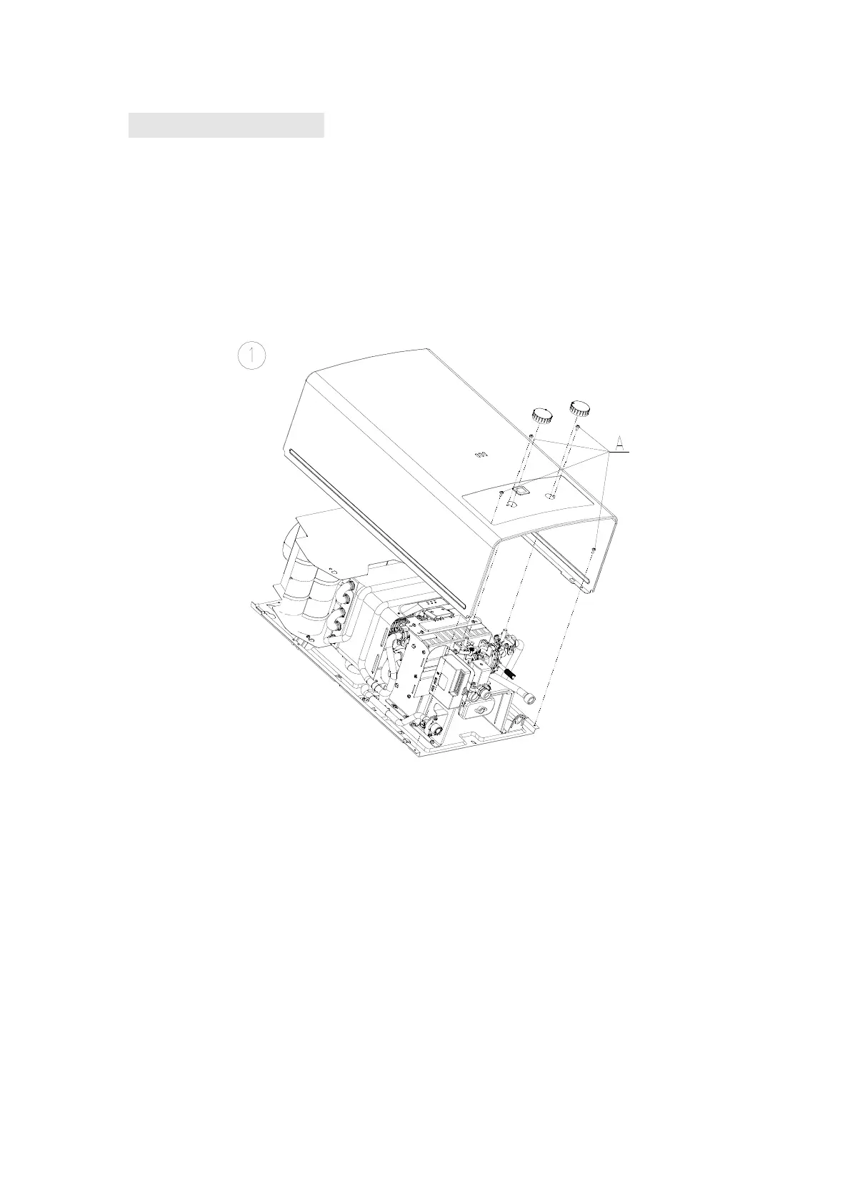
fig.15
1. Close gas supply and water supply .Remove the 4 screw and the knob in the
front panel of the appliance(fig.15, step A) and remove the front cover, the
serviceman would have to move the front cover downward and loosen the clip
connection, and then move upward to get off from the track.

Related product manuals