EasyManua.ls Logo

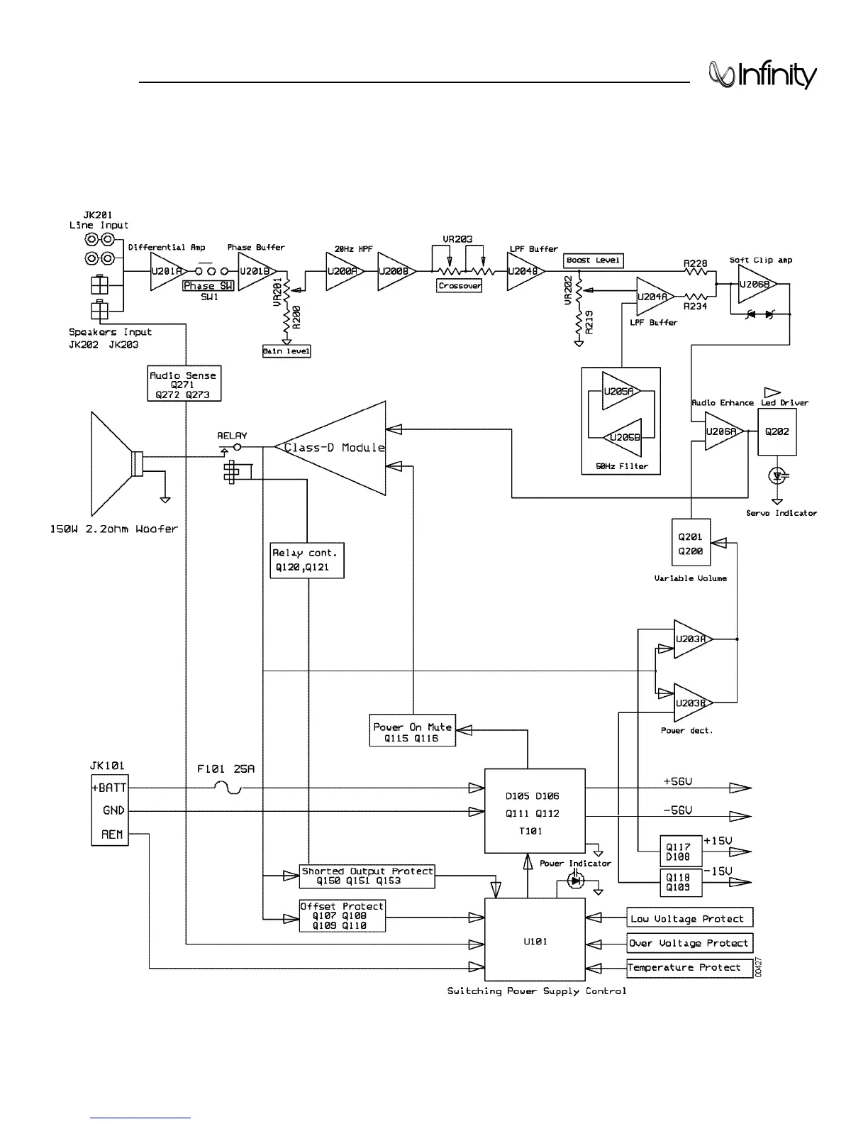
Infinity Bass Link - Block Diagram

Infinity Bass Link
56 pages
Print Icon
To Next Page IconTo Next Page
To Next Page IconTo Next Page
To Previous Page IconTo Previous Page
To Previous Page IconTo Previous Page
Loading...
BassLink
13
Block Diagram

Related product manuals