EasyManua.ls Logo

Infinity Bass Link - Packaging Details

Infinity Bass Link
56 pages
Print Icon
To Next Page IconTo Next Page
To Next Page IconTo Next Page
To Previous Page IconTo Previous Page
To Previous Page IconTo Previous Page
Loading...
BassLink
30
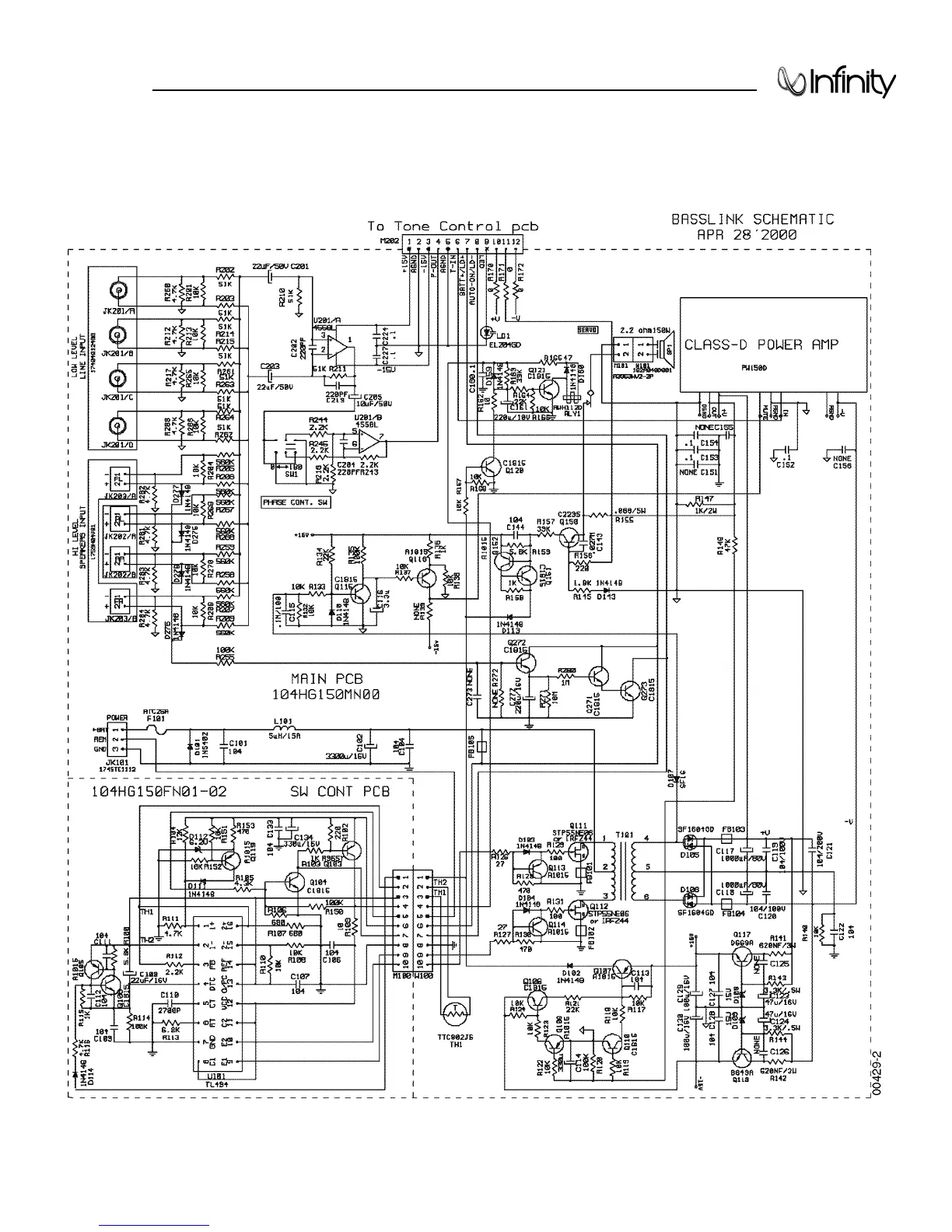
Schematics (Cont.)

Related product manuals