EasyManua.ls Logo

Infinity Bass Link - Page 52

Infinity Bass Link
56 pages
Print Icon
To Next Page IconTo Next Page
To Next Page IconTo Next Page
To Previous Page IconTo Previous Page
To Previous Page IconTo Previous Page
Loading...
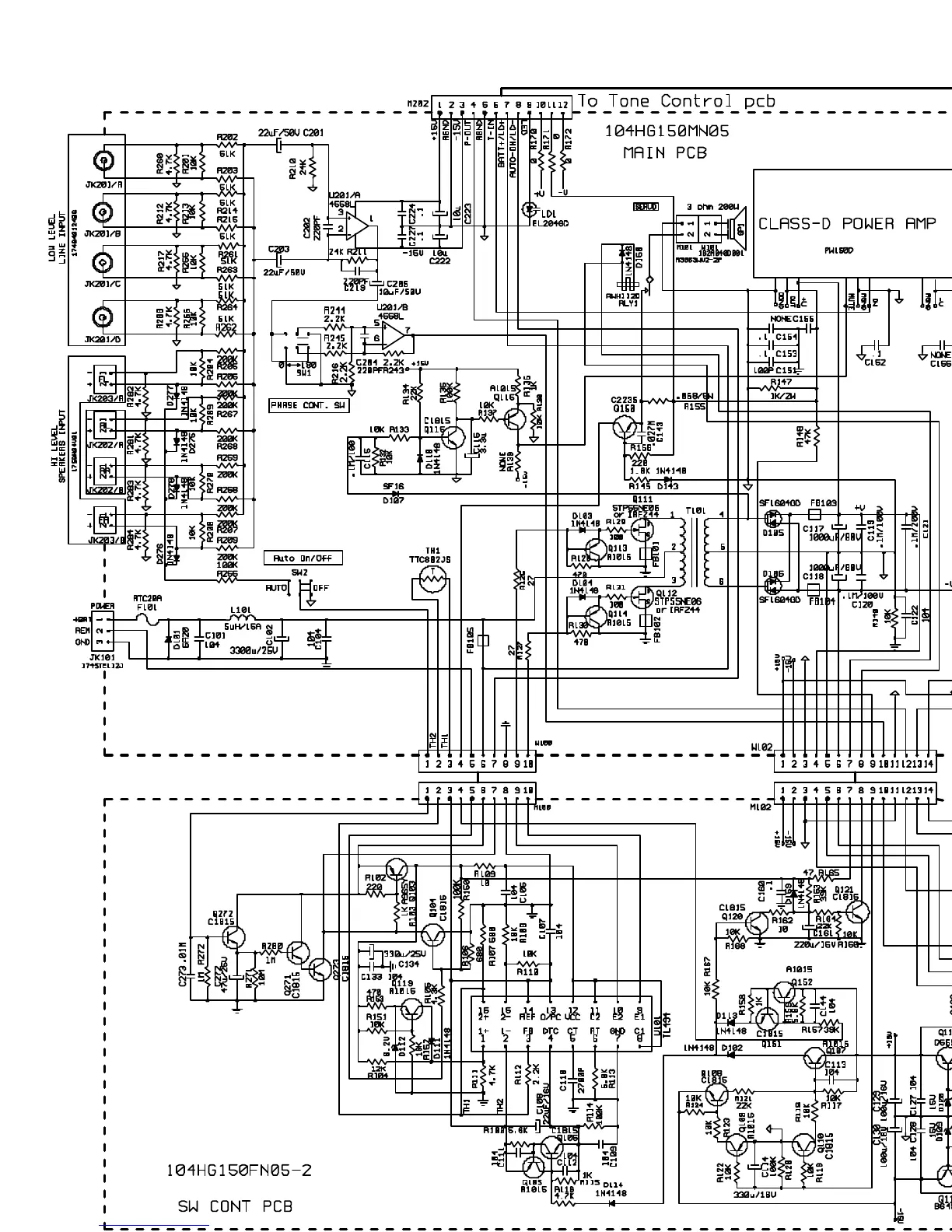
Schematics
Main/Tone Control/Switching Controller Part1

Related product manuals