EasyManua.ls Logo

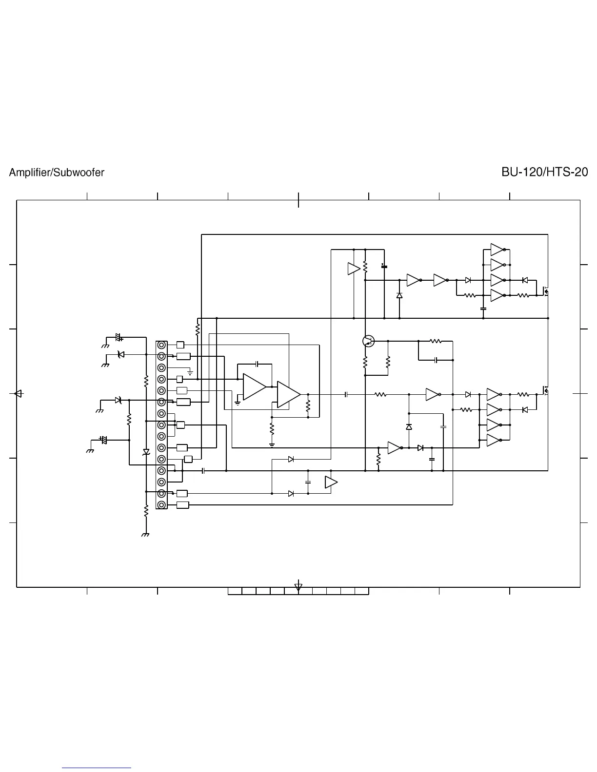
Infinity HTS-20 - Hts-20 Rev B Power Amp Module Schematic

Infinity HTS-20
34 pages
Print Icon
To Previous Page IconTo Previous Page
To Previous Page IconTo Previous Page
Loading...
HTS-20 rev B POWER AMP MODULE

(IRF640)
(IRF640)
E
D
F
321
C
B
A
4321
A
B
C
8765
D
E
F
876
D4
1N4148
D5
1N4148
D7
1N4148
1
2
-
3
+
8
4
LF353
U1:A
2
1
3
4
5
6
7
8
9
10
11
12
13
14
15
CON1
100U/16V
C11
.1u 100V
C9
R15
2K2
LIMIT
+6V
ZD3
15V
R16
820
O/P
V+
V-
10u/50V
C7
1N4148
D9
11 10
U3:E
1
3
2
IRF530
Q2
1
3
2
Q3
IRF530
10
R11
1 2
U2:A
74HC14
R12
10
13 12
74HC14
U3:F
1 2
U3:A
9 8
U3:D
6K8
R1
C10
100U/16V
R1330K
FB
820
R14
ZD2
15V
ZD1
15V
IN
+15V
S/D
-15V
6
-
5
+
7
LF353
U1:B
C8
1000p
3 4
U2:B
1N4148
D8
R3
1K
5 6
U2:C
74HC14
100K
R2
1M
R10
7
14
U2:G
74HC14
C4
.1u
100p
C3
D1
1N4148
9 8
74HC14
U2:D
D3
1N4148
C6
330p
13 12
U2:F
11 10
U2:E
D2
1N4148
R9
1K
D6
1N4148
C5
100p
3 4
U3:B
5 6
U3:C
R4
1K
3
1
2
Q1
2N5551
220
R6
C1
100p
100
R7
R5
1K
C2
100p
7
14
74HC14
U3:G
3K3
R8
00469
34