EasyManua.ls Logo

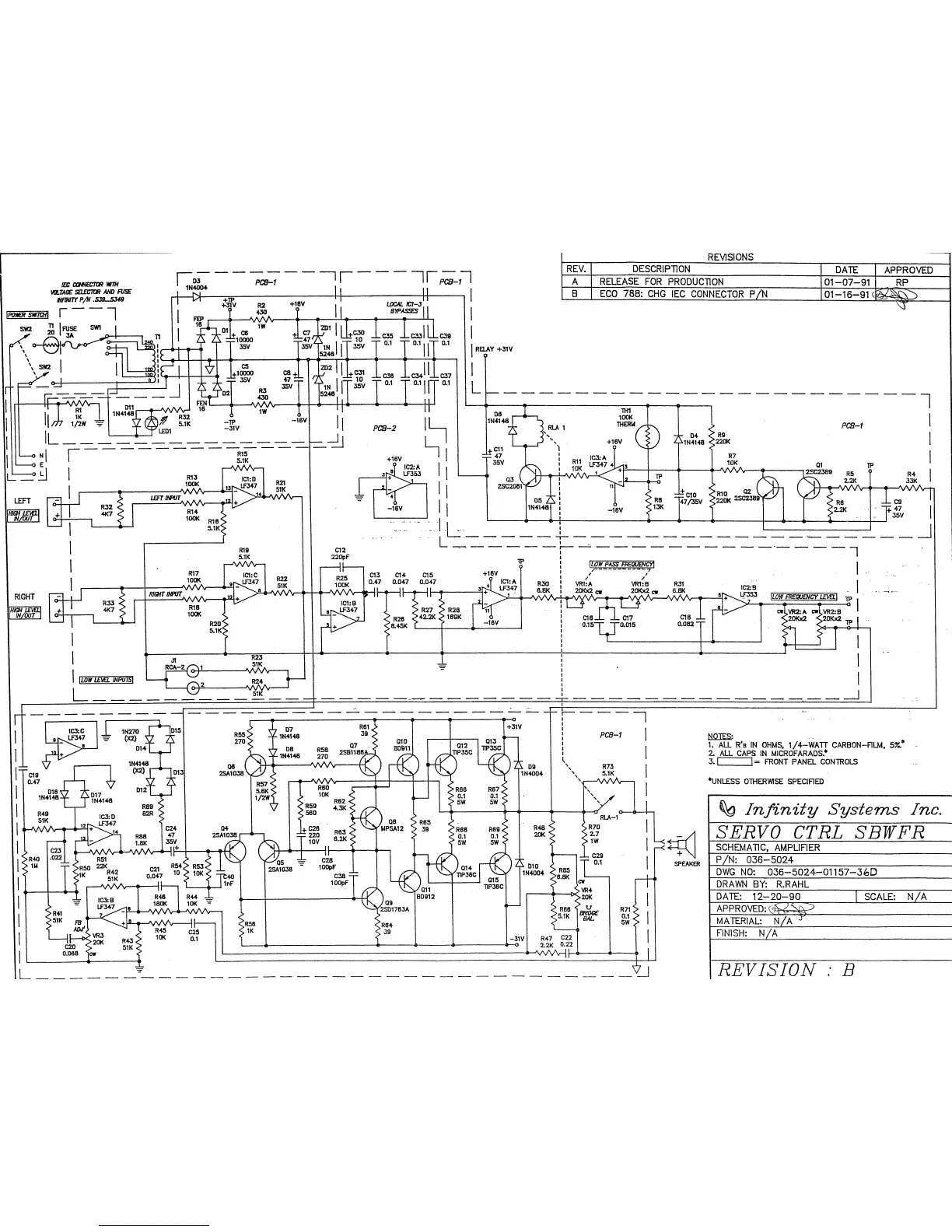
Infinity Infinitesimal IV - SCHEMATIC DIAGRAMS; Servo Control Subwoofer Schematic

Infinity Infinitesimal IV
40 pages
Print Icon
To Next Page IconTo Next Page
To Next Page IconTo Next Page
To Previous Page IconTo Previous Page
To Previous Page IconTo Previous Page
Loading...
37

Related product manuals