EasyManua.ls Logo

Infinity Kappa 102a - Page 36

Infinity Kappa 102a
39 pages
Print Icon
To Next Page IconTo Next Page
To Next Page IconTo Next Page
To Previous Page IconTo Previous Page
To Previous Page IconTo Previous Page
Loading...
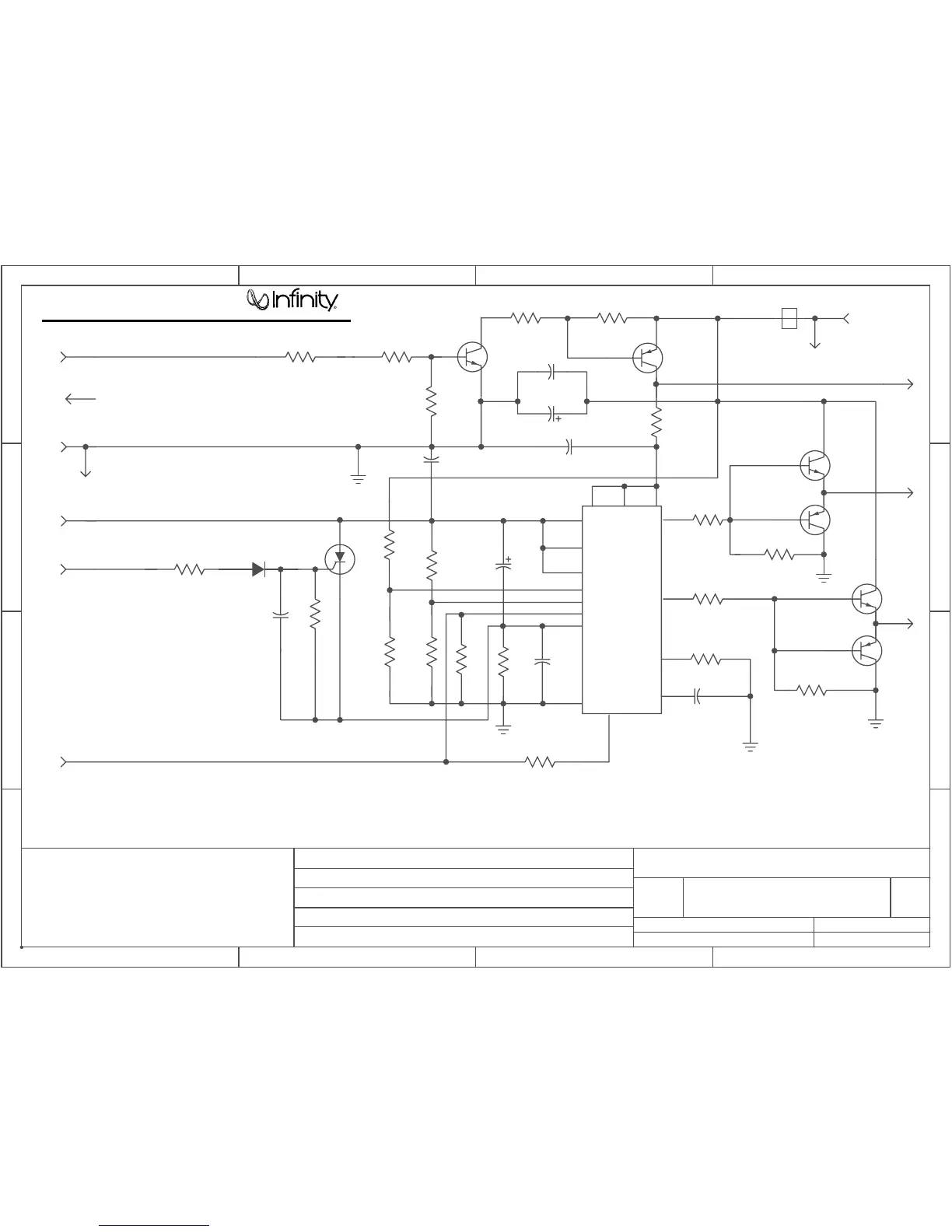
R14
220
R2
1K
Q2
2SC2412K
BIG
FB1
3.3K
R23
R15
2.2K
R17
100
SCR1
MCR22-2
1K
R18
0.1uF
C5
4.7K
R6
12K
R7
10K
R9
R8
2.2K
10K
R11
0.1uF
C3
R3
510
R13
27
RXT2907A
Q6
RXT2222A
Q4
RXT2222A
Q3
RXT2907A
Q5
R16
100
R12
27
R5
100K
4.7uF/10V
C19
R10
680
C2
0.1uF
Q1
RXT2907A
R1
10
C1
2700pF
R4
6.8K
C4
0.1uF
D1
RLS4148
4.7K
R19
330uF/16V
C6
.1uF
C10
N/C
TH1
+5 REF
SHORT PROTECTION
TH1
3
MATES WITH PWM MODULE P/N PC1149
DOCUMENT CONTROL: FRED COOLEY
RELEASED BY: M. RODRIGUEZ
DESIGNED BY: M. RODRIGUEZ
harman consumer manufacturing
ZD0145-2.S01
08/15/97
02
+BATT.
2
REM.OUT
TO LAMP MOD.
TO LAMP MOD.
O
O
GND
3
1
2
R. MACIAS
11
hcm EP. order on prior written consent.
harman consumer manufacturer El Paso,
This document is property of
not to be reproduced or used for
manufacturing purposes exept on
GND
QA
7
10
8
14
13
2
1
15
16
4
73
5
6
9
1211
TL494
8
QB
+BATT.
9
4
6
1
REM.IN
IC1
1
ZD0145
PWM MODULE
O
2
CS
CHECKED BY: A. MARTINEZ
AB CD
4
3
2
1
DCBA
1
2
3
4
ofSheet
Drawn by
RevNumber
Title
Size
A
Date
Filename
Kappa 102a
35

Related product manuals