EasyManua.ls Logo

Infinity TSS-Sub1200 - Block Diagram

Infinity TSS-Sub1200
19 pages
Print Icon
To Next Page IconTo Next Page
To Next Page IconTo Next Page
To Previous Page IconTo Previous Page
To Previous Page IconTo Previous Page
Loading...
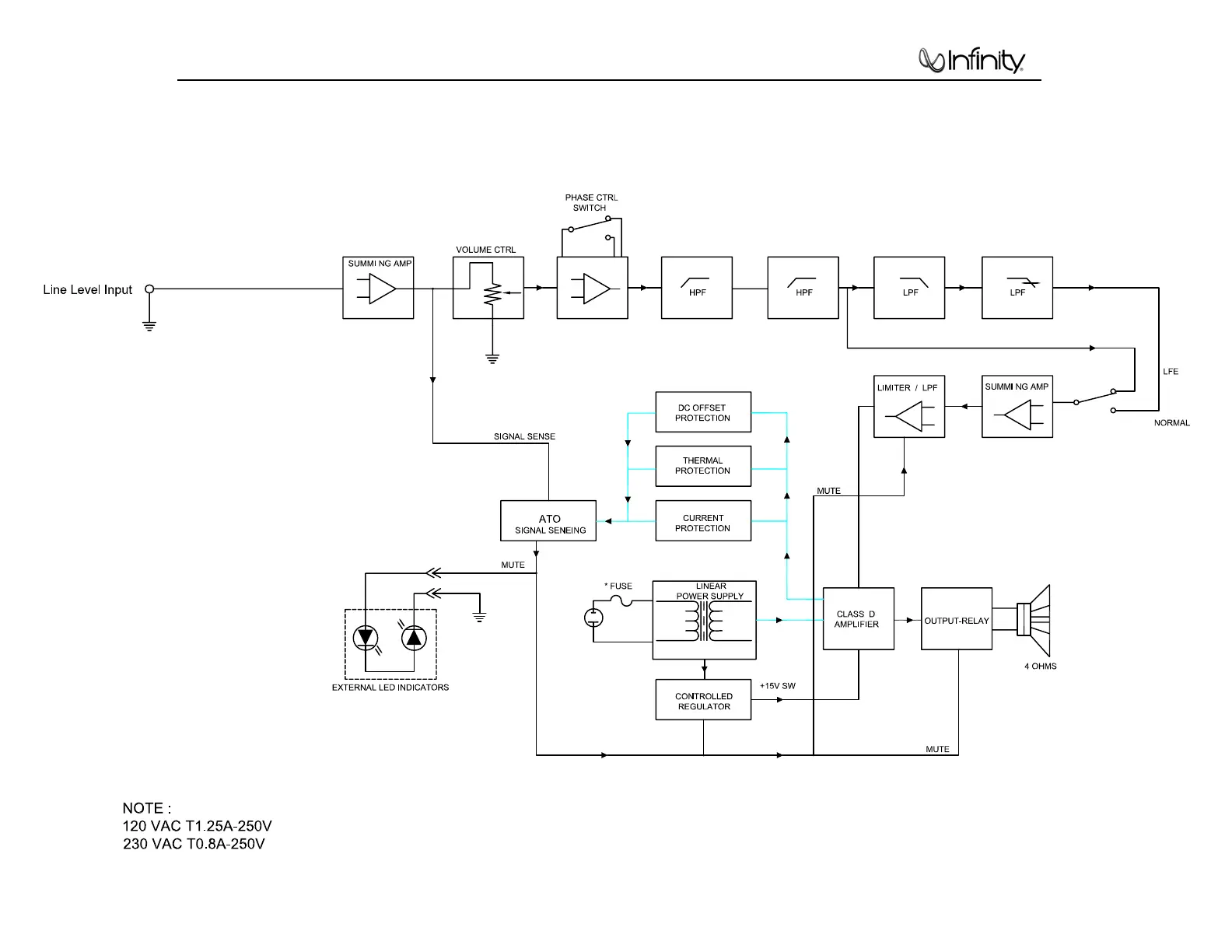
TSS SUB1200 BLOCK DIAGRAM
NOTE THIS LED IS NOT PRESENT ON EARLY VERSIONS OF THE TSS SUB1200
TSS-Sub1200 subwoofer
10

Related product manuals