EasyManua.ls Logo

Infinity TSS-Sub1200 - Page 19

Infinity TSS-Sub1200
19 pages
Print Icon
To Previous Page IconTo Previous Page
To Previous Page IconTo Previous Page
Loading...
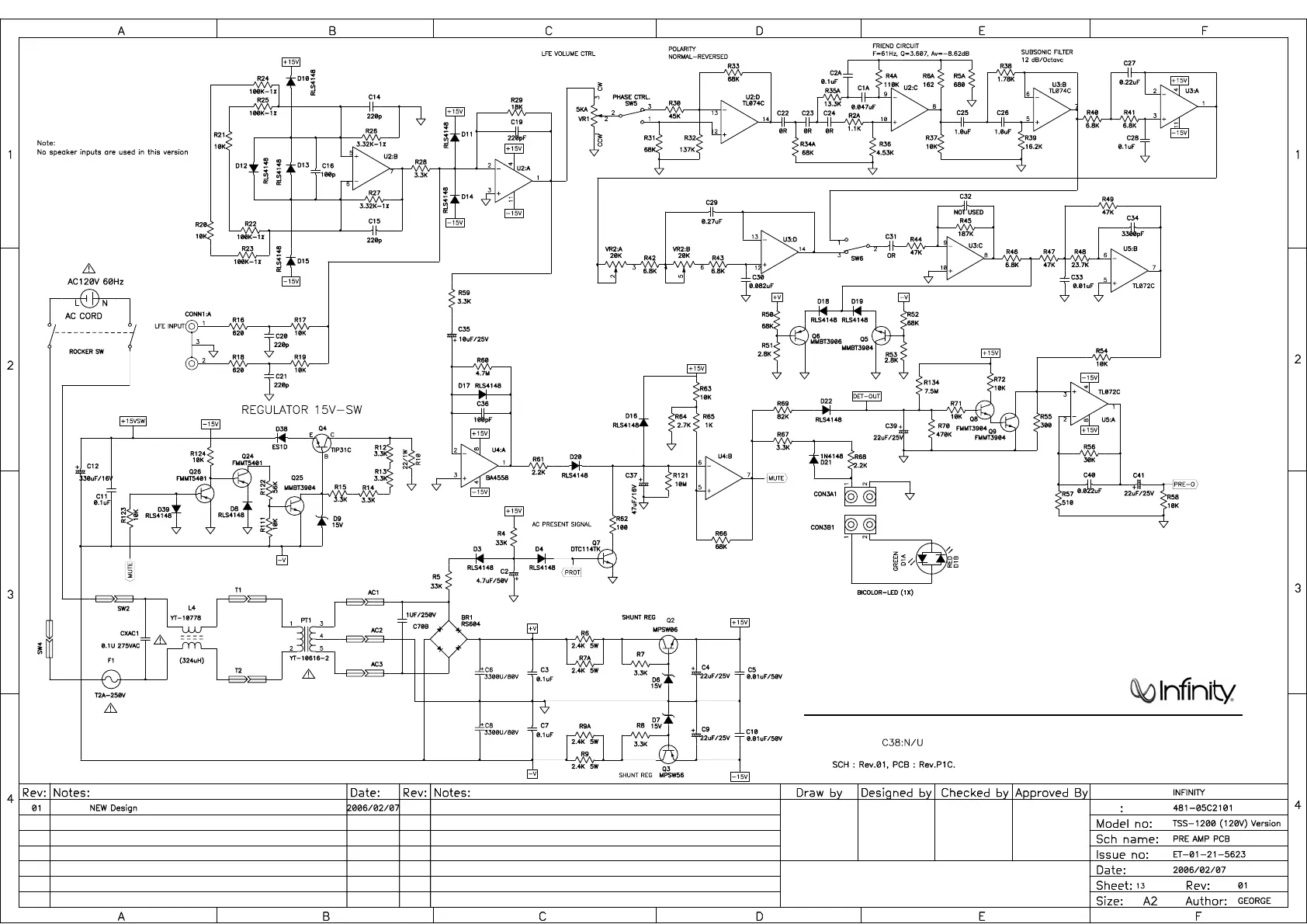
NOTE THIS LED IS NOT PRESENT ON EARLY VERSIONS OF THE TSS SUB1200
TSS-Sub1200 subwoofer
18

Related product manuals