EasyManua.ls Logo

InSinkErator Model Hot1 - Page 16

InSinkErator Model Hot1
36 pages
Print Icon
To Next Page IconTo Next Page
To Next Page IconTo Next Page
To Previous Page IconTo Previous Page
To Previous Page IconTo Previous Page
Loading...
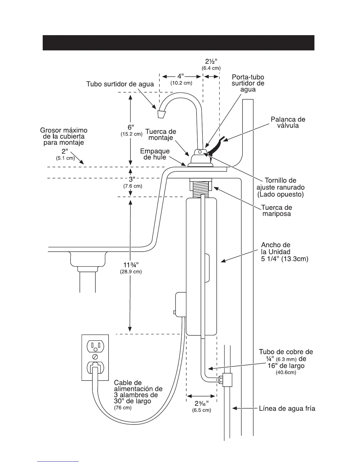
DIMENSIONES
16

Related product manuals