EasyManua.ls Logo

Integra DHC-9.9 - Advanced Setup-Continued; Music Optimizer and Re-EQ Functions

Integra DHC-9.9
258 pages
To Next Page IconTo Next Page
To Next Page IconTo Next Page
To Previous Page IconTo Previous Page
To Previous Page IconTo Previous Page
Loading...
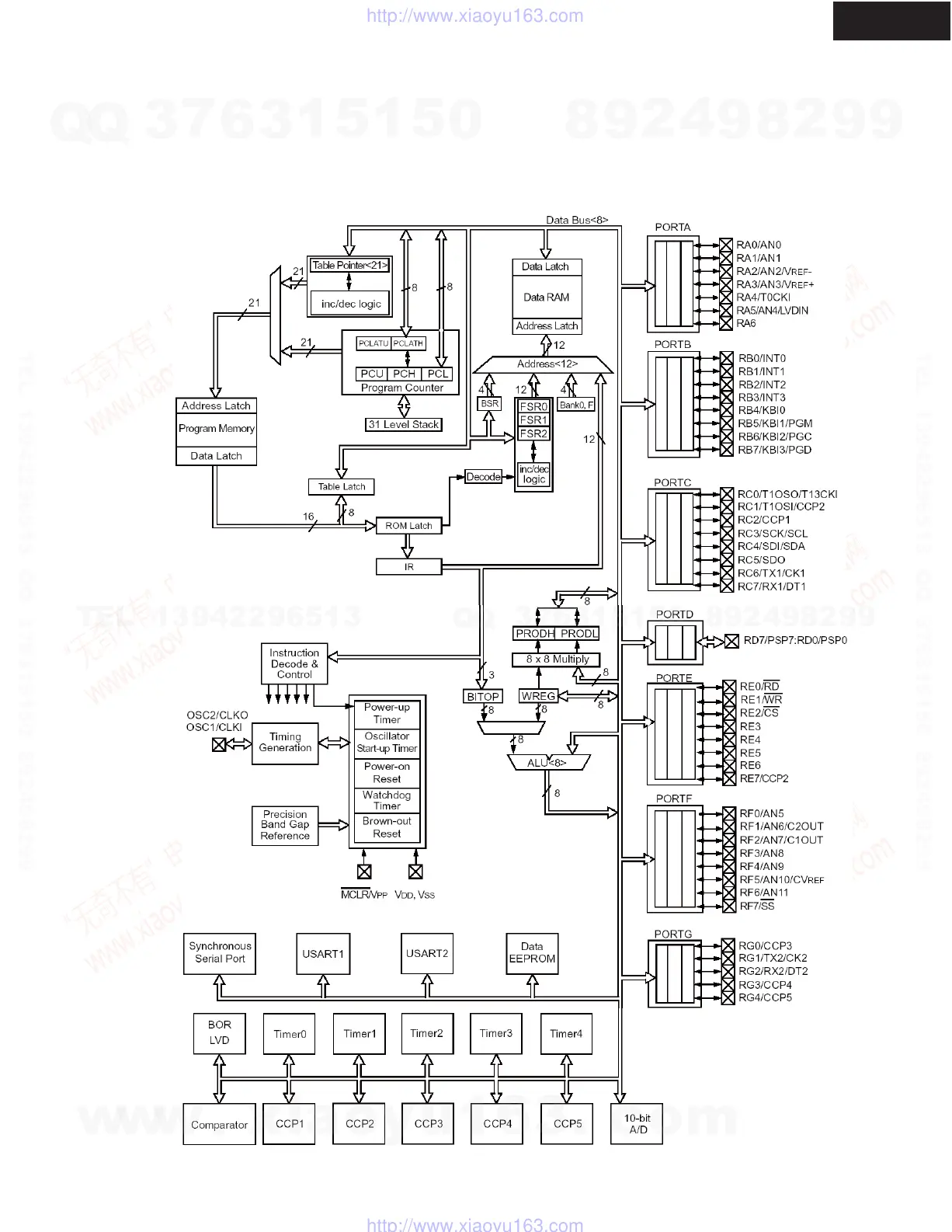
Q1001: PIC18F66(1 Mbit Flash Microcontroller with Ethernet)
BLOCK DIAGRAM
IC BLOCK DIAGRAMS AND TERMINAL DESCRIPTIONS -72
DTR-8.9
w
w
w
.
x
i
a
o
y
u
1
6
3
.
c
o
m
Q
Q
3
7
6
3
1
5
1
5
0
9
9
2
8
9
4
2
9
8
T
E
L
1
3
9
4
2
2
9
6
5
1
3
9
9
2
8
9
4
2
9
8
0
5
1
5
1
3
6
7
3
Q
Q
TEL 13942296513 QQ 376315150 892498299
TEL 13942296513 QQ 376315150 892498299
http://www.xiaoyu163.com
http://www.xiaoyu163.com

Other manuals for Integra DHC-9.9

Related product manuals