EasyManua.ls Logo

Integra DTR-4.5 - Page 6

Integra DTR-4.5
95 pages
Print Icon
To Next Page IconTo Next Page
To Next Page IconTo Next Page
To Previous Page IconTo Previous Page
To Previous Page IconTo Previous Page
Loading...
DTR-4.5
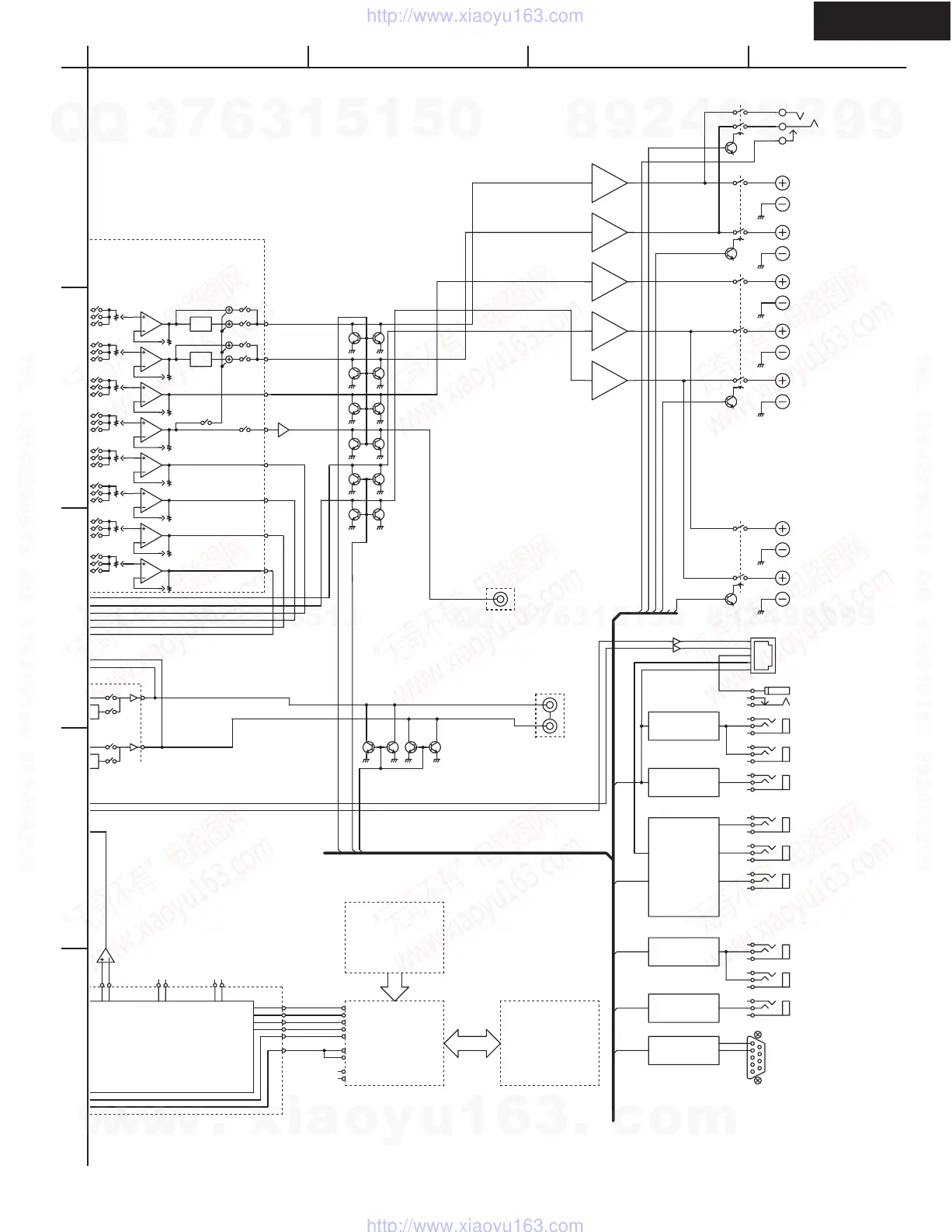
BLCOK DIAGRAM Amplifier section
Z2RL
HPRL
HPIN
FRL
FL_PO
FR_PO
CT_PO
SW_PO
SL_PO
SR_PO
SBMUT
Z2LMUT
AMUT
Z2L_PO
Z2R_PO
DC24 in for
A-BUS
40k IR in1 for
A-BUS
40k IR in2 for
A-BUS
56k IR OUT for
A-BUS
12V TRIGGER A
12V TRIGGER B
12V TRIGGER C
IR IN
IR OUT
RJ-45 for
A-BUS
RIex
RS-232C
12V TRIDDER
CONTROL
IR 56k
RE-MODULATOR
IR
DE-MODULATOR
IR
DE-MODULATOR
RI
INTERFACE
INTERFACE
RS-232C
SW
POWER AMPLIFIER
+29dB
+29dB
+29dB
+29dB
+29dB
FRONT LEFT
FRONT RIGHT
CENTER
SURR. LEFT
SURR. RIGHT
HEADPHONES
ZONE2 LEFT
ZONE2 RIGHT
SPEAKER TERMINALS
R
L
TONE
TONE
+6dB@ZONE2
+20.2dB
N
E
N
E
DSP SD_RAM
IC42S16100
2M Byte
CS494003
FLASH ROM
MX29LV040
2M Bit
LPF
ZONE2 PREOUT/LINEOUT
BD3814
7
6
5
4
3
2
1
8
107
118
106
81
80
86
134
109
110
58
54
63
62
64
1
26
27
21
20
22
23
27
28
A
A
A
1
2
3
4
5
BCD
w
w
w
.
x
i
a
o
y
u
1
6
3
.
c
o
m
Q
Q
3
7
6
3
1
5
1
5
0
9
9
2
8
9
4
2
9
8
T
E
L
1
3
9
4
2
2
9
6
5
1
3
9
9
2
8
9
4
2
9
8
0
5
1
5
1
3
6
7
3
Q
Q
TEL 13942296513 QQ 376315150 892498299
TEL 13942296513 QQ 376315150 892498299
http://www.xiaoyu163.com
http://www.xiaoyu163.com

Other manuals for Integra DTR-4.5

Related product manuals