EasyManua.ls Logo

Integra DTR-8.2 - Connecting your video components; DVD Player Connection

Integra DTR-8.2
88 pages
Print Icon
To Next Page IconTo Next Page
To Next Page IconTo Next Page
To Previous Page IconTo Previous Page
To Previous Page IconTo Previous Page
Loading...
19
Connections
Video connection cable
S video connection cable
Component video connection cable
: Signal flow
Audio connection cable
Left (white)
Right (red)
L
R
PR
PB
Y
PR
PB
Y
PRE
FRONT
SUB
SURR
R
GND
SURR
BACK/
ZONE 2
FRONT
SUB
SURR
SURR
BACK
R
DIGITAL
OUTPUT
DIGITAL
INPUT
OPT
2
COAX
2
3
1
2
3
4
1
1
OPT
TENNA
DIO
L
PH
CD
OUT
IN
TAPE
L
AUDIO
VIDEO
S VIDEO
MONITOR
OUT
R
L
OUT
IN
OUT
IN
OUT
IN
IN
IN
ZONE 2
DVD
VIDEO 1
VIDEO 2
VIDEO 3
VIDEO 4
DIO
AUDIO
VIDEO
S VIDEO
COMPONENT
VIDEO
Y
P
B
P
R
OUTPUT
INPUT 1
Y
P
B
P
R
INPUT 2
Y
P
B
P
R
AM
FM
75
R
L
P
R
P
B
Y
P
R
P
B
Y
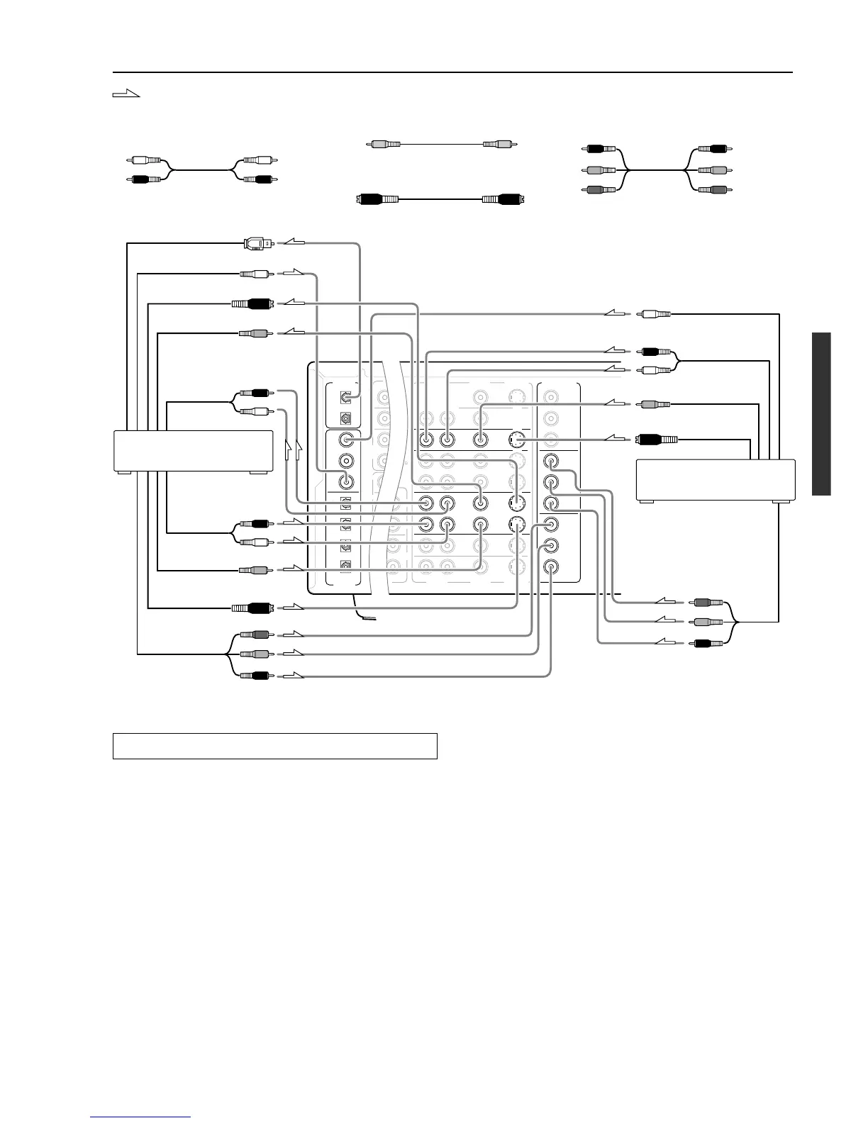
4. DVD player (DVD)
5. DVD recorder, other digital video
recording device (VIDEO 2)
L (white)
R (red)
L (white)
R (red)
L (white)
R (red)
Digital audio input (optical)
Digital audio output (coaxial)
Digital audio output (coaxial)
Video input
Video output
Video output
S Video output
S Video output
Component video output
Component video output
S Video input
Analog audio
output
Analog audio
output
Analog audio
input
4. Connecting a DVD player (DVD)
If the device is equipped with an S video output terminal, connect it
to the DVD S VIDEO IN terminal with an S video cable. If it does
not have an S video output terminal, connect its video output
terminal to the DVD VIDEO IN terminal using an RCA-type video
connection cable. You do not need to connect to both the DVD S
VIDEO IN and DVD VIDEO IN terminals. If the device has
component video outputs, connect them to one of the
COMPONENT VIDEO INPUT jacks.
With the initial settings of the DTR-8.2, the DVD input source is
set for the COMPONENT VIDEO INPUT 1 jack.
If the video connection is made at COMPONENT VIDEO INPUT 2,
this must be changed at the Setup menu: Input Setup Video Setup
Component Video (see page 38).
Using an RCA-type audio connection cable, connect the audio
output terminal on the device to the audio DVD IN jacks on the
DTR-8.2. Make sure that you properly connect the left channel to the
L jack and the right channel to the R jack.
If the device has a digital output jack as well, be sure to also connect
it to either a DIGITAL INPUT (COAXIAL) or DIGITAL INPUT
(OPTICAL) jack on the DTR-8.2 depending on the type of
connector on the DVD player.
Connecting your video components
Below is an example of how you can connect your video
components to the DTR-8.2. Refer to the diagram above for the
following connection examples.
The flow of the video signals is as follows:
The signal that comes in from VIDEO IN is sent to VIDEO OUT
and S VIDEO OUT.
The signal that comes in from S VIDEO IN is sent to S VIDEO
OUT and VIDEO OUT.
The signal that comes in from COMPONENT VIDEO IN is only
sent to COMPONENT VIDEO OUT. When connecting a video
player to the COMPONENT VIDEO INPUT terminals, be sure
to connect your television to the COMPONENT VIDEO
OUTPUT terminals.
Note:
If only the video connection for the MONITOR OUT is made, even
if the input from each source component is through a component
video connection, the picture will not appear. If only the S video
connection for the MONITOR OUT is made, the picture will not
appear.

Table of Contents

Other manuals for Integra DTR-8.2

Related product manuals