EasyManua.ls Logo

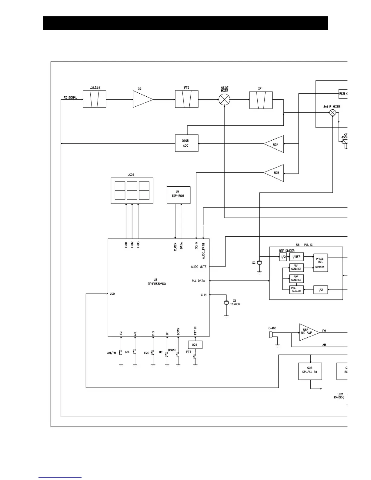
Intek M-100 PLUS - Block Diagram

Intek M-100 PLUS
32 pages
Print Icon
To Next Page IconTo Next Page
To Next Page IconTo Next Page
To Previous Page IconTo Previous Page
To Previous Page IconTo Previous Page
Loading...
Block Diagram
- VI -

Related product manuals