EasyManua.ls Logo

Intek M-110 PLUS - System Block Diagram Part 1

Intek M-110 PLUS
28 pages
Print Icon
To Next Page IconTo Next Page
To Next Page IconTo Next Page
To Previous Page IconTo Previous Page
To Previous Page IconTo Previous Page
Loading...
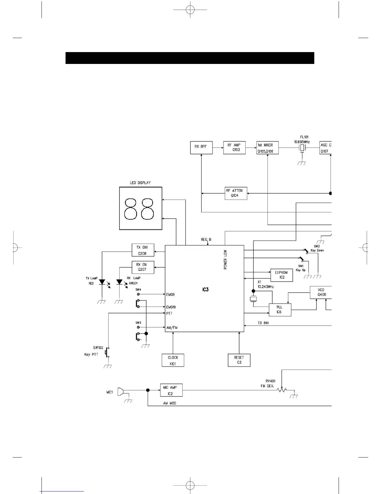
Block Diagram
- 22 -
Man. M-110 PLUS 8-09-2005 9:53 Pagina 24

Related product manuals