EasyManua.ls Logo

Intel EMB-H61A - Page 18

Intel EMB-H61A
91 pages
Print Icon
To Next Page IconTo Next Page
To Next Page IconTo Next Page
To Previous Page IconTo Previous Page
To Previous Page IconTo Previous Page
Loading...
Industrial Motherboard
EMB-H61A
Chapter 2 Quick Installation Guide 2 - 6
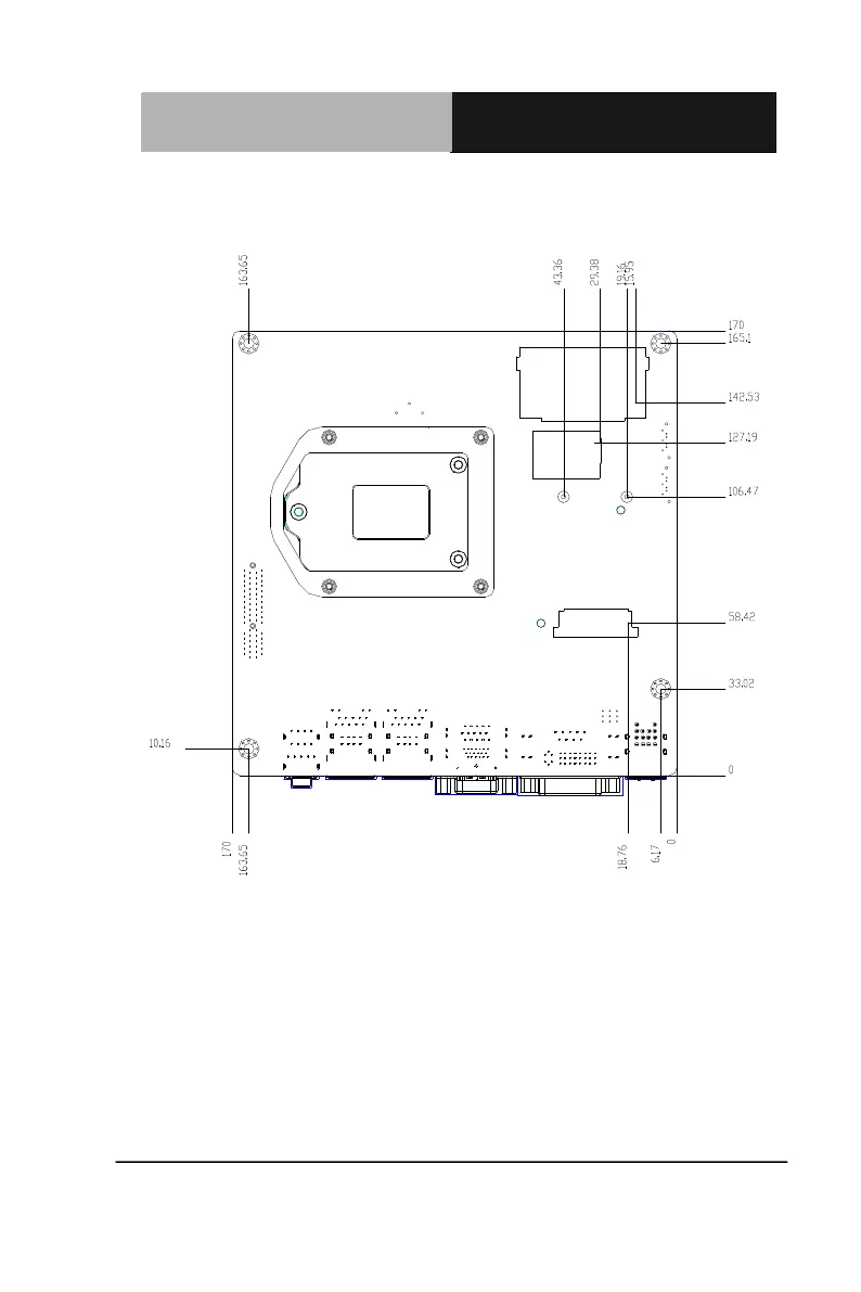
Solder Side

Related product manuals